Features: · VCC = 2.0 V to 5.5 V· All inputs VIH (Max.) = 5.5 V (@VCC = 0 V to 5.5 V)· Typical VOL ground bounce < 0.8 V (@VCC = 3.3 V, Ta = 25°C)· Typical VOH undershoot > 2.0 V (@VCC = 3.3 V, Ta = 25°C)· High output current ±24 mA (@VCC = 3.0 V to 5.5 V)PinoutSpecifications Item ...
HD74LVC533: Features: · VCC = 2.0 V to 5.5 V· All inputs VIH (Max.) = 5.5 V (@VCC = 0 V to 5.5 V)· Typical VOL ground bounce < 0.8 V (@VCC = 3.3 V, Ta = 25°C)· Typical VOH undershoot > 2.0 V (@VCC = 3.3 V...
SeekIC Buyer Protection PLUS - newly updated for 2013!
268 Transactions
All payment methods are secure and covered by SeekIC Buyer Protection PLUS.

|
Item |
Symbol |
Ratings |
Unit |
Conditions |
|
Supply voltage |
VCC |
0.5 to 6.0 |
V |
|
|
Input voltage |
IIK |
50 |
mA |
V = 0.5 V |
|
Input diode current |
VI |
0.5 to 6.0 |
V |
|
|
Output diode current |
IOK |
-50 |
mA |
VO = 0.5 V |
|
50 |
VO = VCC+0.5 V | |||
|
Output voltage |
VO |
0.5 to VCC +0.5 |
V |
|
|
Output current |
IO |
±50 |
mA |
|
|
VCC, GND current / pin |
ICC or IGND |
100 |
mA |
|
|
Storage temperature |
Tstg |
65 to 150 |
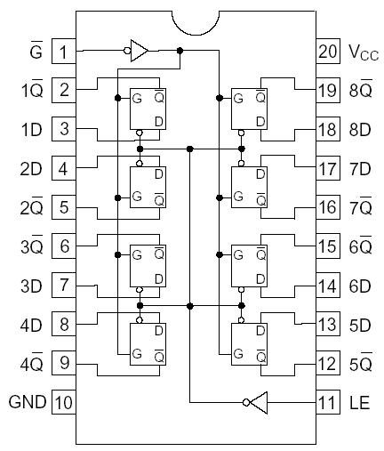
The HD74LVC533 has eight D type latches with three state outputs in a 20 pin package. When the latch enable input is high, the Q outputs will follow the D inputs. When the HD74LVC533 latch enable goes low, data at the D inputs will be retained at the outputs until latch enable returns high again. When a high logic level is applied to the output control input, all outputs go to a high impedance state, regardless of what signals are present at the other inputs and the state of the storage elements. Low voltage and high speed operation is suitable at the battery drive product (note type personal computer) and low power consumption extends the life of a battery for long time operation.