Features: · VCC = 2.0 V to 5.5 V· All inputs VIH (Max.) = 5.5 V (@VCC = 0 V to 5.5 V)· Typical VOL ground bounce < 0.8 V (@VCC = 3.3 V, Ta = 25°C)· Typical VOH undershoot > 2.0 V (@VCC = 3.3 V, Ta = 25°C)· High output current ±24 mA (@VCC = 3.0 V to 5.5 V)PinoutSpecifications Item ...
HD74LVC534: Features: · VCC = 2.0 V to 5.5 V· All inputs VIH (Max.) = 5.5 V (@VCC = 0 V to 5.5 V)· Typical VOL ground bounce < 0.8 V (@VCC = 3.3 V, Ta = 25°C)· Typical VOH undershoot > 2.0 V (@VCC = 3.3 V...
SeekIC Buyer Protection PLUS - newly updated for 2013!
268 Transactions
All payment methods are secure and covered by SeekIC Buyer Protection PLUS.

|
Item |
Symbol |
Ratings |
Unit |
Conditions |
|
Supply voltage |
VCC |
0.5 to 6.0 |
V |
|
|
Input diode current |
IIK |
50 |
mA |
VI = 0.5 V |
|
Input voltage |
VI |
0.5 to 6.0 |
V |
|
|
Output diode current |
IOK |
50 |
mA |
VO = 0.5 V |
|
50 |
mA |
VO = VCC+0.5 V | ||
|
Output voltage |
VO |
0.5 to VCC +0.5
|
V
|
|
|
Output current |
IO |
±50 |
mA |
|
|
VCC, GND current / pin |
ICC or IGND |
100 |
mA |
|
|
Storage temperature |
Tstg |
65 to +150 |
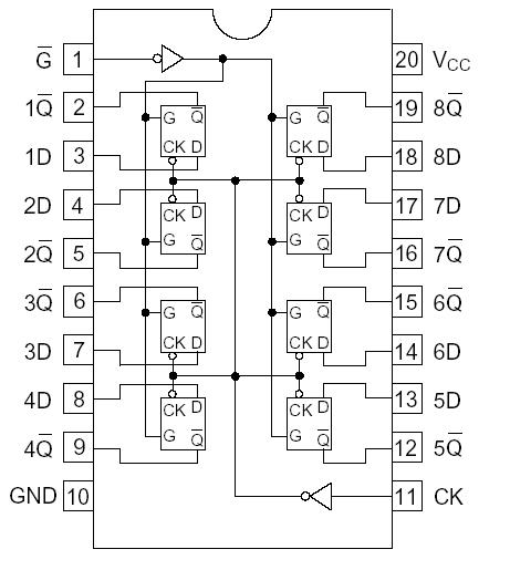
The HD74LVC534 has eight edge trigger D type flip flops with three state outputs in a 20 pin package. Data at the D inputs meeting set up reguirements, are transferred to the Q outputs on positive going transitions of the clock input. When the latch enable goes low, data at the D inputs will be retained at the outputs until latch enable returns high again. When a high logic level is applied to the output control input, all outputs go to a high impedance state, regardless of what signals are present at the other inputs and the state of the storage elements. Low voltage and high speed operation of HD74LVC534 is suitable at the battery drive product (note type personal computer) and low power consumption extends the life of a battery for long time operation.