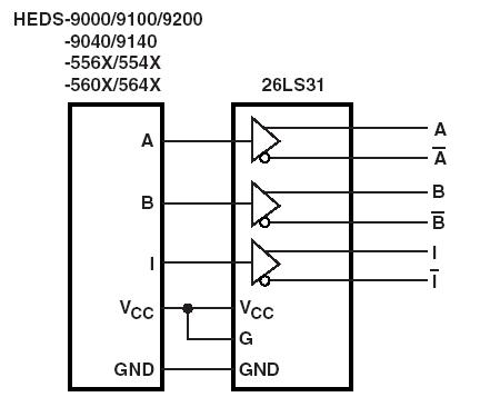
Features: • Available on Both Encoder Modules (HEDS-9000 Series) and Encoder Kit Housing (HEDS-5500 Series)• Complementary Outputs• Industry Standard Line Driver IC• Single 5 V Supply• Onboard Bypass Capacitor• 70°C and 100°C Versions AvailablePinoutDescriptionL...
HEDL-560x: Features: • Available on Both Encoder Modules (HEDS-9000 Series) and Encoder Kit Housing (HEDS-5500 Series)• Complementary Outputs• Industry Standard Line Driver IC• Single 5...
SeekIC Buyer Protection PLUS - newly updated for 2013!
268 Transactions
All payment methods are secure and covered by SeekIC Buyer Protection PLUS.
Features: • Two channel quadrature output with optional index pulse• Quick and easy as...
