Features: • This Circuit is Processed in Accordance to MIL-STD-883 and is Fully Conformant Under the Provisions of Paragraph 1.2.1.• Analog Signal Range (±15V Supplies). . . . . . . . . . . .±15V• Low Leakage (+25°C) . . . . . . . . . . . . . . . . . . . .1nA (Max)• Low Lea...
HI-303: Features: • This Circuit is Processed in Accordance to MIL-STD-883 and is Fully Conformant Under the Provisions of Paragraph 1.2.1.• Analog Signal Range (±15V Supplies). . . . . . . . . ...
SeekIC Buyer Protection PLUS - newly updated for 2013!
268 Transactions
All payment methods are secure and covered by SeekIC Buyer Protection PLUS.
DescriptionThe HI-303/883 switch is a monolithic device fabricated using CMOS technology and the I...

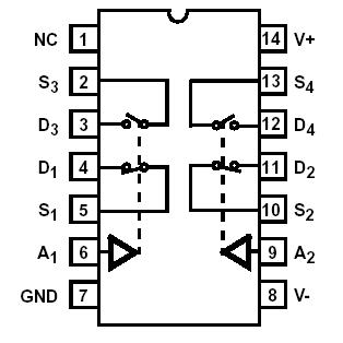
The HI-303/883 switch is a monolithic device fabricated using CMOS technology and the Intersil Dielectric Isolation process. This switch features break-before-make switching, low and nearly constant ON resistance over the full analog signal range, and low power dissipation.
The HI-303/883 is TTL compatible and has a logic "0" condition with an input less than 0.8V and a logic "1" condition with an input greater than 4.0V.
The HI-303/883 is pin-for-pin compatible with the industry standard Siliconix DG303. The device is available in a 14 pin Ceramic DIP. The HI-303/883 operates over the -55°C to +125°C temperature range.