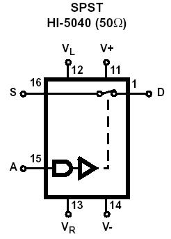
Features: • ±15V Wide Analog Signal Range• Low ON Resistance 25W (Typical)• High Current Capability 80mA (Typical)• Break-Before-Make Switching- Turn-On Time 370ns (Typical)- Turn-Off Time 280ns (Typical)• No Latch-Up• Input MOS Gates are Protected from Electr...
HI-5040: Features: • ±15V Wide Analog Signal Range• Low ON Resistance 25W (Typical)• High Current Capability 80mA (Typical)• Break-Before-Make Switching- Turn-On Time 370ns (Typical...
SeekIC Buyer Protection PLUS - newly updated for 2013!
268 Transactions
All payment methods are secure and covered by SeekIC Buyer Protection PLUS.
