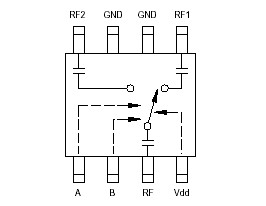
Features: ·INDUSTRY FIRST LOW COST 4.5-6 GHz SWITCH·ULTRA SMALL PACKAGE: MSOP8·HIGH INPUT P1dB: +33 dBm·SINGLE POSITIVE SUPPLY: +3 TO +8VPinoutSpecifications Bias Voltage Range (Vdd) -0.2 to + 12 Vdc Control Voltage Range(A & B) -0.2 to + Vdd Vdc Storage Temperature -6...
HMC223MS8: Features: ·INDUSTRY FIRST LOW COST 4.5-6 GHz SWITCH·ULTRA SMALL PACKAGE: MSOP8·HIGH INPUT P1dB: +33 dBm·SINGLE POSITIVE SUPPLY: +3 TO +8VPinoutSpecifications Bias Voltage Range (Vdd) -0.2...
SeekIC Buyer Protection PLUS - newly updated for 2013!
268 Transactions
All payment methods are secure and covered by SeekIC Buyer Protection PLUS.

|
Bias Voltage Range (Vdd) |
-0.2 to + 12 Vdc |
|
Control Voltage Range(A & B) |
-0.2 to + Vdd Vdc |
|
Storage Temperature |
-65 to + 150 deg C |
|
Operating Temperature |
-40 to + 85 deg C |
The HMC223MS8 is a low-cost SPDT switch in an 8-lead MSOP package for use in transmit-receive applications. The device can control signals from 4.5 to 6 GHz and is especially suited for 5.2 GHz UNII and 5.8 GHz ISM applications with only 1.2 dB loss. The design provides exceptional power handling performance; input P1dB = +33dBm at 5 Volt bias. RF1 or RF2 is a reflective short when "Off". On-chip circuitry allows single positive supply operation at very low DC current with control inputs compatible with CMOS and most TTL logic families. No DC blocking capacitors are required on RF I/O ports. HMC223MS8 is especially suited for PCMCIA wireless LAN applications.