Features: 4x2 Switch Matrix Using One IC4x4 Switch Matrix Using Two ICsIntegrated 4 Bit DecoderSingle Positive Supply: Vdd = +5VApplication4x2 Switch Matrix for 0.7 - 3.0 GHz Applications:• Cable Modem• CATV• Cellular Systems• DBSPinoutSpecifications ...
HMC276QS24: Features: 4x2 Switch Matrix Using One IC4x4 Switch Matrix Using Two ICsIntegrated 4 Bit DecoderSingle Positive Supply: Vdd = +5VApplication4x2 Switch Matrix for 0.7 - 3.0 GHz Applications:• Ca...
SeekIC Buyer Protection PLUS - newly updated for 2013!
268 Transactions
All payment methods are secure and covered by SeekIC Buyer Protection PLUS.

| Bias Voltage Range (Vdd) | +8.0 Vdc |
| Control Voltage Range (All Logic Lines) |
Vdd +0.5 to -0.2V Vdc |
| Storage Temperature | -65 to +150 °C |
| Operating Temperature | -40 to +85 °C |
| Maximum Input Power | +17 dBm (700 - 2150 MHz) |
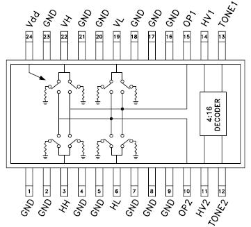
The HMC276QS24 is a low-cost 4x2 switch matrix in a 24-lead QSOP package for use in RF multiplexing applications from 700 to 3000 MHz. A positive voltage controlled 4 bit decoder is integrated on the switch. The switch may be used in either 75 ohm or 50 ohm systems.
Both HMC276QS24 switch outputs (OP1 & OP2) can independently select any of the four inputs (HH, HL, VH, VL) or simultaneously select the same inputs. Note that the switch is bi-directional and input/output functionality may be interchanged. The recommended loading impedance is 62.5 ohms on each input (HH, HL, VH, VL) and 75 ohms on each output (OP1 & OP2). All data presented was measured in a 50 ohm (input/output) system.