Features: ·P1dB OUTPUT POWER: + 20 dBm·SINGLE SUPPLY: +3V to +5V·ULTRA SMALL 8 LEAD MSOP PACKAGE·IDEAL FOR PCS/3G, MMDS, HomeRF, & BLUETOOTHPinoutSpecifications Supply Voltage (Vdd)Input Power (RFin)(Vdd = +5V)Channel Temperature (Tc)Thermal Resistance ( jc)(Channel Backside)Storage Tempe...
HMC278MS8G: Features: ·P1dB OUTPUT POWER: + 20 dBm·SINGLE SUPPLY: +3V to +5V·ULTRA SMALL 8 LEAD MSOP PACKAGE·IDEAL FOR PCS/3G, MMDS, HomeRF, & BLUETOOTHPinoutSpecifications Supply Voltage (Vdd)Input Po...
SeekIC Buyer Protection PLUS - newly updated for 2013!
268 Transactions
All payment methods are secure and covered by SeekIC Buyer Protection PLUS.

| Supply Voltage (Vdd) Input Power (RFin)(Vdd = +5V) Channel Temperature (Tc) Thermal Resistance ( jc) (Channel Backside) Storage Temperature Operating Temperature |
+8 Vdc +10 dBm 175 oC 65 oC/W -65 to +150 oC -55 to +85 oC |
Note: 100pF bypass capacitor to ground on Vdd line recommended.
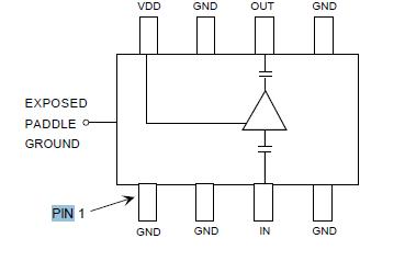
The HMC278MS8G is a 100mW GaAs MMIC medium power amplifier covering 1.7 to 3 GHz. The HMC278MS8G device is packaged in a low cost, surface mount 8 lead MSOP plastic package with an exposed base paddle for improved RF ground and thermal dissipation. The self-biased amplifier provides 21 dB of gain and +20 dBm P1dB output power while operating from a single positive supply of Vdd= +5V @ 130 mA. At Vdd = +3V the gain is 19 dB with a P1dB of +16dBm. With RF I/Os matched to 50, external component requirements are minimal. At a height of 0.040" (1.0mm), the MSOP8 package is ideal for low profile portable wireless devices. Use the HMC278MS8G with the HMC309MS8 integrated LNA/TxRx switch front-end for BLUETOOTH Class I, HomeRF, 802.11 WLAN, and ISM 2.4 GHz radios