Features: ·360° of Continuous Phase Control·40 dB of Continuous Gain Control·-162 dBm/Hz Output Noise Floor·+33 dBm Input IP3·3 x 3 mm QFN Plastic PackageApplication•The HMC500LP3 / HMC500LP3E is ideal for: Wireless Infrastructure HPA & MCPA Error CorrectionPre-Distortion or Feed-Forward...
HMC500LP3E: Features: ·360° of Continuous Phase Control·40 dB of Continuous Gain Control·-162 dBm/Hz Output Noise Floor·+33 dBm Input IP3·3 x 3 mm QFN Plastic PackageApplication•The HMC500LP3 / HMC500LP3E...
SeekIC Buyer Protection PLUS - newly updated for 2013!
268 Transactions
All payment methods are secure and covered by SeekIC Buyer Protection PLUS.
DescriptionThe HMC505LP4(E) is a GaAs InGaP Heterojunction Bipolar Transistor (HBT) MMIC VCO with ...

| RF Input (Vcc = +8V) | 27 dBm |
| Supply Voltage (Vcc) | +10V |
| I & Q Input | -0.5V to +5.0V |
| Channel Temperature (Tc) | 135 °C |
| Continuous Pdiss (T = 85°C) (Derate 25 mW/°C above 85°C) |
1.25 W |
| Thermal Resistance (Rth) (junction to ground paddle) |
40 °C/W |
| Storage Temperature | -65 to +150 °C |
| Operating Temperature | -40 to +85 °C |
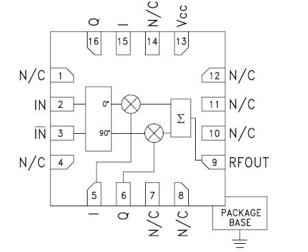
The HMC500LP3 & HMC500LP3E are high dynamic range Vector Modulator RFICs which are targeted for RF predistortion and feed-forward cancellation circuits, as well as RF cancellation and beam forming amplitude/phase correction circuits. The I & Q ports of the HMC500LP3 & HMC500LP3E can be used to ontinuously vary the phase and amplitude of RF signals by up to 360 degrees and 40 dB respectively, while supporting a 3 dB modulation bandwidth of 150 MHz. With an input IP3 of +33 dBm and input noise fl oor of -152 dBm/Hz (at -10 dB maximum gain setting), the input IP3/noise fl oor ratio is 185 dB