Features: •Combination of 1 DPDT and 2 SPDT switches•Low Insertion Loss : 1.30 dB @ 2.50 GHz 1.55 dB @ 5.85 GHz• Isolation: 26 dB @ 2.50 GHz 19 dB @ 5.85 GHz• Flexible selection of 2.5/5.8 GHz Tx/Rx ports• Low DC Power Consumption• Miniature QFN16L (4x4 mm) Plas...
HWS379: Features: •Combination of 1 DPDT and 2 SPDT switches•Low Insertion Loss : 1.30 dB @ 2.50 GHz 1.55 dB @ 5.85 GHz• Isolation: 26 dB @ 2.50 GHz 19 dB @ 5.85 GHz• Flexible select...
SeekIC Buyer Protection PLUS - newly updated for 2013!
268 Transactions
All payment methods are secure and covered by SeekIC Buyer Protection PLUS.

| Parameter | Absolute Maximum |
| RF Input Power | +32 dBm @ +3V |
| Control Voltage | +6V |
| Operating Temperature | -40 to +85 |
| Storage Temperature | -65 to +150 |
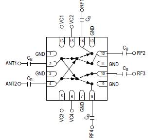
The HWS379 is a GaAs PHEMT MMIC DP4T switch operating at DC-6 GHz in a low cost miniature QFN16L (4 x 4 mm) plastic package. The HWS379 combines one DPDT switch and two SPDT switches in a single IC and features low insertion loss and high isolation with very low DC power consumption. This switch can be used in IEEE 802.11a/b/g WLAN systems for combination of transmit/receive and antenna diversity functions. Two antenna ports can be selected for antenna diversity function and four RF ports can be arbitrary chosen for 2.5 GHz band or 5.85 GHz band as transmit/receive functions.