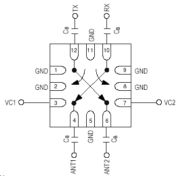
Features: · Low Insertion Loss : 0.8 dB @ 2.50 GHz 1.0 dB @ 5.85 GHz· Isolation: 29.5 dB @ 2.50 GHz 20.5 dB @ 5.85 GHz· Low DC Power Consumption· Miniature QFN12L (3x3 mm) Plastic Package· PHEMT processPinoutSpecifications Parameter Absolute Maximum RF Input Power +34 dBm @ +3V Contro...
HWS383: Features: · Low Insertion Loss : 0.8 dB @ 2.50 GHz 1.0 dB @ 5.85 GHz· Isolation: 29.5 dB @ 2.50 GHz 20.5 dB @ 5.85 GHz· Low DC Power Consumption· Miniature QFN12L (3x3 mm) Plastic Package· PHEMT pro...
SeekIC Buyer Protection PLUS - newly updated for 2013!
268 Transactions
All payment methods are secure and covered by SeekIC Buyer Protection PLUS.

| Parameter | Absolute Maximum |
| RF Input Power | +34 dBm @ +3V |
| Control Voltage | +6V |
| Operating Temperature | -40 to +85 |
| Storage Temperature | -65 to +150 |
The HWS383 is a GaAs PHEMT MMIC DPDT switch operating at DC-6 GHz in a low cost miniature QFN12L (3 x 3 mm) plastic package. The features low insertion loss and high isolation with very low DC power consumption. This switch can be used in IEEE 802.11a/b/g WLAN systems for combination of transmit/receive and antenna diversity functions.