Features: • Low Insertion Loss : 0.8 dB @ 2.50 GHz 1.0 dB @ 5.85 GHz• Isolation: 29.5 dB @ 2.50 GHz 20.5 dB @ 5.85 GHz• Low DC Power Consumption• Miniature QFN12L (3x3 mm) Plastic Lead (Pb) Free Package• PHEMT process• Lead Free and RoHS Compliant Version of HWS...
HWS410: Features: • Low Insertion Loss : 0.8 dB @ 2.50 GHz 1.0 dB @ 5.85 GHz• Isolation: 29.5 dB @ 2.50 GHz 20.5 dB @ 5.85 GHz• Low DC Power Consumption• Miniature QFN12L (3x3 mm) Pl...
SeekIC Buyer Protection PLUS - newly updated for 2013!
268 Transactions
All payment methods are secure and covered by SeekIC Buyer Protection PLUS.

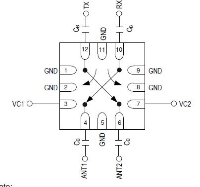
The HWS410 is a GaAs PHEMT MMIC DPDT switch operating at DC-6 GHz in a low cost miniature QFN12L (3 x 3 mm) plastic lead (Pb) free package. The features low insertion loss and high isolation with very low DC power consumption. This switch can be used in IEEE 802.11a/b/g WLAN systems for combination of transmit/receive and antenna diversity functions.