Features: • Low Insertion Loss : 0.4 dB @ 2.5 GHz 0.5 dB @ 5.8 GHz• Isolation: 24 dB @ 2.5 GHz 27 dB @ 5.8 GHz• Low DC Power Consumption• Miniature QFN12L (3x3 mm) Plastic Lead(Pb) Free Package• PHEMT process• Lead Free and RoHS (Restrict of Hazardous Substances...
HWS432: Features: • Low Insertion Loss : 0.4 dB @ 2.5 GHz 0.5 dB @ 5.8 GHz• Isolation: 24 dB @ 2.5 GHz 27 dB @ 5.8 GHz• Low DC Power Consumption• Miniature QFN12L (3x3 mm) Plastic Le...
SeekIC Buyer Protection PLUS - newly updated for 2013!
268 Transactions
All payment methods are secure and covered by SeekIC Buyer Protection PLUS.

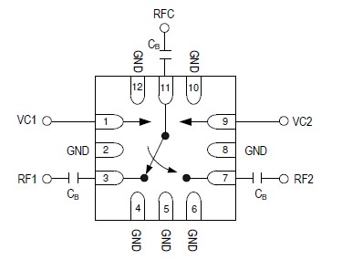
The HWS432 is a GaAs PHEMT MMIC SPDT switch operating at DC-6 GHz in a low cost miniature QFN12L (3 x 3 mm) plastic lead (Pb) free package. The HWS432 features low insertion loss and high isolation with very low DC power consumption. This switch can be used in IEEE 802.11a/b/g WLAN PC card and access point applications as transmit/receive switch, antenna diversity switch, or band-selection switch.