Features: Single Power Supply OperationRead, program and erase operations from 2.7 to 3.6 voltsIdeal for battery-powered applicationsHigh Performance70, 80, 90 and 120 ns access timeversions for full voltage range operationUltra-low Power Consumption (Typical/Maximum Values)Automatic sleep/standby...
HY29LV320: Features: Single Power Supply OperationRead, program and erase operations from 2.7 to 3.6 voltsIdeal for battery-powered applicationsHigh Performance70, 80, 90 and 120 ns access timeversions for ful...
SeekIC Buyer Protection PLUS - newly updated for 2013!
268 Transactions
All payment methods are secure and covered by SeekIC Buyer Protection PLUS.
Single Power Supply Operation
Read, program and erase operations from 2.7 to 3.6 volts
Ideal for battery-powered applications
High Performance
70, 80, 90 and 120 ns access timeversions for full voltage range operation
Ultra-low Power Consumption (Typical/Maximum Values)
Automatic sleep/standby current: 0.5/5.0µA
Read current: 9/16 mA (@ 5 MHz)
Program/erase current: 20/30 mA
Top and Bottom Boot Block Versions
Provide one 8 KW, two 4 KW, one 16 KW and sixty-three 32 KW sectors
Secured Sector
An extra 128-word, factory-lockable sector available for an Electronic Serial Number and/or additional secured data
Sector Protection
Allows locking of a sector or sectors to prevent program or erase operations within that sector
Temporary Sector Unprotect allows changes in locked sectors
Fast Program and Erase Times (typicals)
Sector erase time: 0.5 sec per sector
Chip erase time: 32 sec
Word program time: 11 µs
Accelerated program time per word: 7 µs
Automatic Erase Algorithm Preprograms and Erases Any Combination of Sectors or the Entire Chip
Automatic Program Algorithm Writes and Verifies Data at Specified Addresses
Compliant With Common Flash Memory Interface (CFI) Specification
Flash device parameters stored directly on the device
Allows software driver to identify and use a variety of current and future Flash products
Minimum 100,000 Write Cycles per Sector
Compatible With JEDEC standards
Pinout and software compatible with single-power supply Flash devices
Superior inadvertent write protection
Data# Polling and Toggle Bits
Provide software confirmation of completion of program and erase operations
Ready/Busy (RY/BY#) Pin
Provides hardware confirmation of completion of program and erase operations
Write Protect Function (WP#/ACC pin)
−Allows hardware protection of the first or last 32 KW of the array, regardless of sector protect status
Acceleration Function (WP#/ACC pin)
−Provides accelerated program times
Erase Suspend/Erase Resume
Suspends an erase operation to allow reading data from, or programming data to, a sector that is not being erased
Erase Resume can then be invoked to complete suspended erasure
Hardware Reset Pin (RESET#) Resets the Device to Reading Array Data
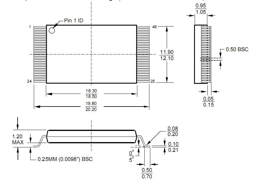
Space Efficient Packaging
48-pin TSOP and 63-ball FBGA packages

| Symbol | Parameter | Value | Unit |
| TSTG | Storage Temperature | -65 to +150 | |
| TBIAS | Ambient Temperature with Power Applied | -65 to +125 | |
| VIN2 | Voltage on Pin with Respect to VSS:VCC1 | -0.5 to +4.0 | V |
| A[9],OE#,WP#/ACC,RESET#2 | -0.5 to +12.5 | V | |
| All Other Pins1 | -0.5 to(VCC +0.5) | V | |
| IOS | Output Short Circuit Current3 | 200 | mA |
The HY29LV320 is a 32 Mbit, 3 volt-only CMOS Flash memory organized as 2,097,152 (2M) words.The device is available in 48-pin TSOP and 63-ball FBGA packages. Word-wide data (x16) ap-pears on DQ[15:0].
The HY29LV320 can be programmed and erased in-system with a single 3 volt VCC supply. Inter-nally generated and regulated voltages are pro-vided for program and erase operations, so that the device does not require a higher voltage VPPpower supply to perform those functions. The de-vice can also be programmed in standard EPROM programmers. Access times as fast as 70ns over the full operating voltage range of 2.7 - 3.6 volts are offered for timing compatibility with the zero wait state requirements of high speed micropro-cessors. To eliminate bus contention, the HY29LV320 has separate chip enable (CE#), write enable (WE#) and output enable (OE#) controls.
The device is compatible with the JEDEC single-power-supply Flash command set standard. Com-mands are written to the command register using standard microprocessor write timings, from where they are routed to an internal state-machine that controls the erase and programming circuits.Device programming is performed a word at a time by executing the four-cycle Program Command write sequence. This initiates an internal algorithm that automatically times the program pulse widths and verifies proper cell margin. Faster program-ming times are achieved by placing the HY29LV320 in the Unlock Bypass mode, which requires only two write cycles to program data in-stead of four.
The HY29LV320 features a sector architecture and is offered in two versions:
HY29LV320B - a device with boot-sector archi-tecture with the boot sectors at the bottom of the address range, containing one 8KW, two 4KW,one 16KW and sixty-three 32KW sectors.
HY29LV320T - a device with boot-sector archi-tecture with the boot sectors at the bottom of the address range, containing one 8KW, two 4KW,one 16KW and sixty-three 32KW sectors.
The HY29LV320's sector erase architecture allow sany number of array sectors to be erased and re-programmed without affecting the data contents of other sectors. Device erasure is initiated by executing the Erase Command sequence. This initiates an internal algorithm that automatically preprograms the array (if it is not already pro-grammed) before executing the erase operation.As during programming cycles, the device auto-matically times the erase pulse widths and veri-fies proper cell margin. Sectors are arranged into designated groups for purposes of protection and unprotection. Sector Group Protection optionally disables both program and erase operations in any combination of the sector groups of the memory array, while Temporary Sector Group Unprotect allows in-system erasure and code changes in previously protected sector groups. Erase Sus-pend enables the user to put erase on hold for any period of time to read data from, or program data to, any sector that is not selected for era-sure. True background erase can thus be achieved. The device is fully erased when shipped from the factory.
Addresses and data needed for the programming and erase operations of HY29LV320 are internally latched during write cycles, and the host system can detect completion of a program or erase operation by observing the RY/BY# pin, or by reading the DQ[7] (Data# Polling) and DQ[6] (Toggle) status bits.Hardware data protection measures include a low VCC detector that automatically inhibits write op-erations during power transitions.
After a program or erase cycle has been com-pleted, or after assertion of the RESET# pin (which terminates any operation in progress), the device HY29LV320 is ready to read data or to accept another com-mand. Reading data out of the device is similar to reading from other Flash or EPROM devices.
The HY29LV320 Secured Sector is an extra 128 word sector capable of being permanently locked at the fac-tory or by customers. The Secured Indicator Bit (accessed via the Electronic ID mode) is perma-nently set to a '1' if the part is factory locked, and permanently set to a '0' if customer lockable. This way, customer lockable parts can never be used to replace a factory locked part. Factory locked parts provide several options. The Secured Sec-tor may store a secure, random 8-word ESN (Elec-tronic Serial Number), customer code pro-grammed at the factory, or both. Customer Lock-able parts may utilize the Secured Sector as bo-nus space, reading and writing like any other Flash sector, or may permanently lock their own code there.
The WP#/ACC pin provides two functions. The HY29LV320 Write Protect function provides a hardware method of protecting the boot sectors without using a high voltage. The Accelerate function speeds up pro-gramming operations, and is intended primarily to allow faster manufacturing throughput.
Two power-saving features are embodied in the HY29LV320. When addresses have been stable for a specified amount of time, the device enters the automatic sleep mode. The host can also place the device HY29LV320 into the standby mode. Power con-sumption is greatly reduced in both these modes.