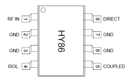
Features: · Low Cost· Low Profile· Small SOIC-8 Package· Tape & ReelPinoutSpecifications Characteristic Value Input Power1 +4 W Operating Temperature -40°C to +85°C Storage Temperature -65°C to +150°C Electrostatic Discharge +125 V1. Exceeding these...
HY86-12: Features: · Low Cost· Low Profile· Small SOIC-8 Package· Tape & ReelPinoutSpecifications Characteristic Value Input Power1 +4 W Operating Temperature -40°C to +85°C ...
SeekIC Buyer Protection PLUS - newly updated for 2013!
268 Transactions
All payment methods are secure and covered by SeekIC Buyer Protection PLUS.

|
Characteristic |
Value |
|
Input Power1 |
+4 W |
|
Operating Temperature |
-40°C to +85°C |
|
Storage Temperature |
-65°C to +150°C |
|
Electrostatic Discharge |
+125 V |
The HY86-12 is a 90 degree hybrid tuned for the 0.820.90 GHz band. The monolithic circuitry is 100% passive and offers low loss, high isolation and exceptional phase/amplitude balance. It is available in the SOIC-8 leaded surface mount package.