Features: • High sensitivity (+3dB at F5.6, +4dB at F1.2 compared with ICX058AK)• High resolution, low smear and low dark current• Excellent antiblooming characteristics• Continuous variable-speed shutter• Ye, Cy, Mg, and G complementary color mosaic filters on chip...
ICX058CK: Features: • High sensitivity (+3dB at F5.6, +4dB at F1.2 compared with ICX058AK)• High resolution, low smear and low dark current• Excellent antiblooming characteristics• Con...
SeekIC Buyer Protection PLUS - newly updated for 2013!
268 Transactions
All payment methods are secure and covered by SeekIC Buyer Protection PLUS.

|
Item |
Ratings |
Unit |
Remarks | |
|
Substrate voltage SUB GND |
0.3 to +55 | V | ||
| Supply voltage | VDD, VOUT, VSS GND | 0.3 to +18 | V | |
| VDD, VOUT, VSS SUB | 55 to +10 | V | ||
| Vertical clock input voltage | V1, V2, V3, V4 GND | 15 to +20 | V | |
| V1, V2, V3, V4 SUB | to +10 | V | ||
| Voltage difference between vertical clock input pins | to +15 | V | *1 | |
| Voltage difference between horizontal clock input pins | to +17 | V | ||
| H1, H2 V4 | 17 to +17 | V | ||
| H1, H2, LH1, RG, VGG GND | 10 to +15 | V | ||
| H1, H2, LH1, RG, VGG SUB | 55 to +10 | V | ||
| VL SUB | 65 to +0.3 | V | ||
| V1, V2, V3, V4, VDD, VOUT VL | 0.3 to +30 | V | ||
| RG VL | 0.3 to +24 | V | ||
| VGG, VSS, H1, H2, LH1 VL | 0.3 to +20 | V | ||
| Storage temperature | 30 to +80 | °C | ||
| Operating temperature | 10 to +60 | °C | ||
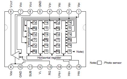
The ICX058CK is an interline CCD solid-state image sensor suitable for NTSC color video cameras. Compared with the current product ICX058AK, sensitivity is improved drastically through the adoption of Super HAD CCD technology. High resolution is achieved through the use of Ye, Cy, Mg, and G complementary color mosaic filters.
This chip of the ICX058CK features a field period readout system and an electronic shutter with variable charge-storage time.