Features: • Supports electronic vibration stabilizer and electronic panning/tilting (33%/one side)• Supports electronic zoom• Supports DV standard SD mode and MPEG2 Main level (13.5MHz)• Supports 16:9 wide aspect ratio (for both 18MHz and 4fsc)• Supply voltage: 12V...
ICX081AK: Features: • Supports electronic vibration stabilizer and electronic panning/tilting (33%/one side)• Supports electronic zoom• Supports DV standard SD mode and MPEG2 Main level (13....
SeekIC Buyer Protection PLUS - newly updated for 2013!
268 Transactions
All payment methods are secure and covered by SeekIC Buyer Protection PLUS.

|
Item |
Ratings | Unit | Remarks | |
| Against SUB | VDD, VOUT, RG SUB | 40 to +10 | V | |
| V1, V3 SUB | 50 to +15 | V | ||
| V2, V4, VL SUB | 50 to +0.3 | V | ||
| H1, H2, GND SUB | 40 to +0.3 | V | ||
| CSUB SUB | 25 to | V | ||
| Against GND | VDD, VOUT, RG, CSUB GND | 0.3 to +18 | V | |
| V1, V2, V3, V4 GND | 10 to +18 | V | ||
| H1, H2 GND | 10 to +5 | V | ||
| Against VL | V1, V3 VL | 0.3 to +28 | V | |
| V2, V4, H1, H2, GND VL | 0.3 to +15 | V | ||
| Between input clock pins |
Voltage difference between vertical clock input pins | to +15 | V | *2 |
| H1 H2 | 5 to +5 | V | ||
| H1, H2 V4 | 13 to +13 | V | ||
| Storage temperature | 30 to +80 | °C | ||
| Operating temperature | 10 to +60 | °C | ||
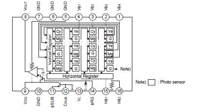
The ICX081AK is an interline CCD solid-state image sensor suitable for PAL color video cameras. This chip conforms to DV standard SD mode, and has the optimal number of pixels for MPEG2 Main level. While achieving a horizontal resolution of 450 TV lines, the area has been expanded 33% in both vertical and horizontal directions, making the chip suitable for electronic vibration stabilizer and electronic panning/tilting. In addition, complete 16:9 wide aspect ratio images are provided with a high picture quality without requiring vertical interpolation.
High sensitivity and low dark current of the ICX081AK are achieved through the adoption of Ye, Cy, Mg and G complementary color mosaic filters and HAD (Hole- Accumulation Diode) sensors.
This chip features a field period readout system and an electronic shutter with variable chargestorage time.
The package is a 16-pin DIP (Plastic), and both top and bottom surface reference can be assured at the same time.