Features: • High sensitivity (+6dB compared with the ICX022BL)• Low smear (20dB compared with the ICX022BL)• High resolution, Low dark current• Excellent antiblooming characteristics• Continuous variable-speed shutterPinoutSpecifications Item Ratings Unit...
ICX082AL: Features: • High sensitivity (+6dB compared with the ICX022BL)• Low smear (20dB compared with the ICX022BL)• High resolution, Low dark current• Excellent antiblooming charact...
SeekIC Buyer Protection PLUS - newly updated for 2013!
268 Transactions
All payment methods are secure and covered by SeekIC Buyer Protection PLUS.

|
Item |
Ratings |
Unit |
Remarks | |
| Substrate voltage SUB GND |
0.3 to +55 |
V |
||
| Supply voltage | HIS, VDD, RD, VOUT, VSSGND |
0.3 to +20 |
V |
|
| HIS, VDD, RD, VOUT, VSSSUB |
55 to +10 |
V |
||
| Vertical clock input voltage | Vertical clock input pinsGND |
15 to +20 |
V |
|
| Vertical clock input pinsSUB |
to +10 |
V |
||
| Voltage difference between vertical clock input pins |
to +15 |
V |
*1 | |
| Voltage difference between horizontal clock input pins |
to +17 |
V |
||
| H1, H2 V4 |
17 to +17 |
V |
||
| H1, H2, RG, VGG GND |
10 to +15 |
V |
||
| H1, H2, RG, VGG SUB |
55 to +10 |
V |
||
| VL SUB |
65 to +0.3 |
V |
||
| V1, V3, HIS, VDD, RD, VOUTVL |
0.3 to +30 |
V |
||
| RG VL |
0.3 to +24 |
V |
||
| V2, V4, VGG, VSS, H1, H2VL |
0.3 to +20 |
V |
||
| Storage temperature |
30 to +80 |
|||
| Operating temperature |
10 to +60 |
|||
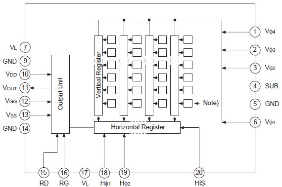
The ICX082AL is an interline CCD solid-state image sensor suitable for EIA black-and-white video cameras with a diagonal 11mm (Type 2/3) system.
High sensitivity and low dark current are achieved through the adoption of HAD (Hole-Accumulation Diode) sensors.
This chip of the ICX082AL features a field period readout system and an electronic shutter with variable chargestorage time.