Features: • High sensitivity and low dark current• Horizontal register: 3.3 to 5.0V drive• No voltage adjustment (Reset gate and substrate bias are not adjusted.)• Low smear• Continuous variable-speed shutterPinoutSpecifications Item Ratings Unit Remar...
ICX087AL: Features: • High sensitivity and low dark current• Horizontal register: 3.3 to 5.0V drive• No voltage adjustment (Reset gate and substrate bias are not adjusted.)• Low smear&...
SeekIC Buyer Protection PLUS - newly updated for 2013!
268 Transactions
All payment methods are secure and covered by SeekIC Buyer Protection PLUS.

|
Item |
Ratings |
Unit |
Remarks | |
| Substrate voltage SUB GND |
0.3 to +40 |
V |
||
| Supply voltage | HIS, VDD, RD, VOUT, VSSGND |
0.3 to +18 |
V |
|
| HIS, VDD, RD, VOUT, VSSSUB |
30 to +9 |
V |
||
| Vertical clock input voltage | V1, V2, V3, V4 GND |
15 to +16 |
V |
|
| V1, V2, V3, V4 SUB |
to +10 |
V |
||
| Voltage difference between vertical clock input pins |
to +15 |
V |
*1 | |
| Voltage difference between horizontal clock input pins |
to +16 |
V |
||
| H1, H2 V4 |
16 to +16 |
V |
||
| H1, H2, RG, VGG GND |
10 to +15 |
V |
||
| H1, H2, RG, VGG SUB |
55 to +10 |
V |
||
| VL SUB |
65 to +0.3 |
V |
||
| V1, V3, HIS, VDD, RD, VOUTVL |
0.3 to +27.5 |
V |
||
| RG GND |
0.3 to +20.5 |
V |
||
| VGG, VSS, H1, H2, LH1 VL |
0.3 to +17.5 |
V |
||
| Storage temperature |
30 to +80 |
|||
| Operating temperature |
10 to +60 |
|||
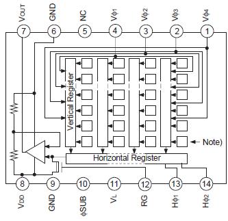
The ICX087AL is an interline CCD solid-state image sensor suitable for CCIR B/W video cameras. High sensitivity is achieved through the adoption of HAD (Hole-Accumulation Diode) sensors.
This chip of the ICX087AL features a field period readout system and an electronic shutter with variable charge-storage time.
The package is a 10mm-square 14-pin DIP (Plastic).