Features: • Supports DV standard SD mode (13.5MHz)• High resolution, high sensitivity and wide dynamic range• Low dark current and low smear• Excellent antiblooming characteristics• Supply voltage: 12V• Horizontal register drive amplitude: 2.7 to 3.6V• No ...
ICX088AK: Features: • Supports DV standard SD mode (13.5MHz)• High resolution, high sensitivity and wide dynamic range• Low dark current and low smear• Excellent antiblooming character...
SeekIC Buyer Protection PLUS - newly updated for 2013!
268 Transactions
All payment methods are secure and covered by SeekIC Buyer Protection PLUS.

|
Item |
Ratings |
Unit |
Remarks | |
| Against SUB | VDD, VOUT,RG SUB |
40 to +8 |
V |
|
| V1, V3 SUB |
50 to +15 |
V |
||
| V2, V4, VL SUB |
50 to +0.3 |
V |
||
| H1, H2, GND SUB |
40 to +0.3 |
V |
||
| CSUB SUB |
25 to |
V |
||
| Against GND | VDD, VOUT,RG, CSUB GND |
0.3 to +18 |
V |
|
| V1, V2, V3, V4 GND |
10 to +18 |
V |
||
| H1, H2 GND |
10 to +5 |
V |
||
| Against VL | V1, V3 VL |
0.3 to +28 |
V |
|
| V2, V4, H1, H2, GND VL |
0.3 to +15 |
V |
||
| Between input clock pins | Voltage difference between vertical clock input pins |
to +15 |
V |
*2 |
| H1H2 |
5 to +5 |
V |
||
| H1, H2 V4 |
13 to +13 |
V |
||
| Storage temperature |
30 to +80 |
|||
| Operating temperature |
10 to +60 |
|||
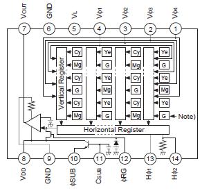
The ICX088AK is an interline CCD solid-state image sensor suitable for NTSC color digital video cameras. This chip supports DV standard SD mode,and can drive at 13.5MHz.
High sensitivity, wide dynamic range and low dark current are achieved through the adoption of Super HAD CCD technology. In addition, high resolution is achieved through the adoption of Ye, Cy, Mg and G complementary color mosaic filters.
This chip of the ICX088AK features a field period readout system and an electronic shutter with variable charge-storage time.
The package is a 14-pin DIP (Plastic), and both top and bottom surface reference can be assured at the same time.