Features: • High sensitivity and low dark current• Horizontal register: 3.3 to 5.0V drive• No voltage adjustment (Reset gate and substrate bias are not adjusted.)• Low smear• Excellent antiblooming characteristics• Continuous variable-speed shutter• Recomm...
ICX097AKE: Features: • High sensitivity and low dark current• Horizontal register: 3.3 to 5.0V drive• No voltage adjustment (Reset gate and substrate bias are not adjusted.)• Low smear&...
SeekIC Buyer Protection PLUS - newly updated for 2013!
268 Transactions
All payment methods are secure and covered by SeekIC Buyer Protection PLUS.

|
Item |
Ratings |
Unit |
Remarks | |
| Against SUB | VDD, VOUT, RGSUB |
40 to +8 |
V |
|
| V1, V3 SUB |
50 to +15 |
V |
||
| V2, V4, VL SUB |
50 to +0.3 |
V |
||
| H1, H2, GND SUB |
40 to +0.3 |
V |
||
| Against GND | VDD, VOUT, RG GND |
0.3 to +18 |
V |
|
| V1, V2, V3, V4 GND |
10 to +18 |
V |
||
| H1, H2 GND |
10 to +15 |
V |
||
| Against VL | V1, V3 VL |
0.3 to +26 |
V |
|
| V2, V4, H1, H2, GND VL |
0.3 to +16 |
V |
||
| Between input clock pins |
Voltage difference between vertical clock input pins |
to +15 |
V |
*1 |
| H1H2 |
14 to +14 |
V |
||
| H1, H2V4 |
14 to +14 |
V |
||
| Storage temperature |
30 to +80 |
|||
| Operating temperature |
10 to +60 |
|||
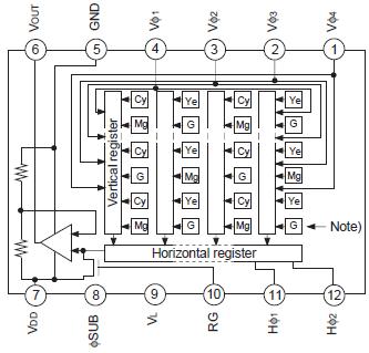
The ICX097AKE is an interline CCD solid-state image sensor suitable for PAL small color cameras.Ye, Cy, Mg, and G complementary color mosaic filters are used. At the same time, high sensitivity and low dark current are achieved through the adoption of Super HAD CCD technology.
This chip of the ICX097AKE features a field period readout system and an electronic shutter with variable chargestorage time.
The package is a small 12-pin SON(LCC).