Features: • Progressive scan allows individual readout of the image signals from all pixels.• High horizontal and vertical resolution (both approx. 400TV-lines) still image without a mechanical shutter.• Supports monitoring mode• Square pixel• Supports VGA format̶...
ICX098AK: Features: • Progressive scan allows individual readout of the image signals from all pixels.• High horizontal and vertical resolution (both approx. 400TV-lines) still image without a mec...
SeekIC Buyer Protection PLUS - newly updated for 2013!
268 Transactions
All payment methods are secure and covered by SeekIC Buyer Protection PLUS.

|
Item |
Ratings | Unit | Remarks | |
| Against SUB | VDD, VOUT, RG SUB | 40 to +10 | V | |
| V2A, V2B SUB | 50 to +15 | V | ||
| V1, V3, VL SUB | 50 to +0.3 | V | ||
| H1, H2, GND SUB | 40 to +0.3 | V | ||
| CSUB SUB | 25 to | V | ||
| Against GND | VDD, VOUT, RG, CSUB GND | 0.3 to +18 | V | |
| V1, V2A, V2B, V3 GND | 10 to +18 | V | ||
| H1, H2 GND | 10 to +5 | V | ||
| Against VL | V2A, V2B VL | 0.3 to +28 | V | |
| V1, V3, H1, H2, GND VL | 0.3 to +15 | V | ||
| Between input clock pins |
Voltage difference between vertical clock input pins | to +15 | V | *2 |
| H1 H2 | 5 to +5 | V | ||
| H1, H2 V4 | 13 to +13 | V | ||
| Storage temperature | 30 to +80 | °C | ||
| Operating temperature | 10 to +60 | °C | ||
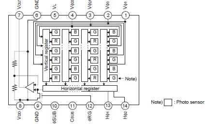
The ICX098AK is a diagonal 4.5mm (Type 1/4) interline CCD solid-state image sensor with a square pixel array which supports VGA format. Progressive scan allows all pixels signals to be output independently within approximately 1/30 second. Also, the adoption of monitoring mode allows output to an NTSC monitor without passing through the memory. This chip features an electronic shutter with variable charge-storage time which makes it possible to realize full-frame still image without a mechanical shutter. High resolution and high color reproductivity of the ICX098AK are achieved through the use of R, G, B primary color mosaic filters. Further, high sensitivity and low dark current are achieved through the adoption of HAD (Hole Accumulation Diode) sensors.
This chip of the ICX098AK is suitable for applications such as electronic still cameras, PC input cameras, etc.