Features: • Progressive scan allows individual readout of the image signals from all pixels.• High horizontal and vertical resolution (both approx. 400TV-lines) still image without a mechanical shutter.• Supports monitoring mode• Square pixel• Supports VGA format̶...
ICX098BQ: Features: • Progressive scan allows individual readout of the image signals from all pixels.• High horizontal and vertical resolution (both approx. 400TV-lines) still image without a mec...
SeekIC Buyer Protection PLUS - newly updated for 2013!
268 Transactions
All payment methods are secure and covered by SeekIC Buyer Protection PLUS.

|
Item |
Ratings | Unit | Remarks | |
| Against SUB | VDD, VOUT, RG SUB | 40 to +10 | V | |
| V2A, V2B SUB | 50 to +15 | V | ||
| V1, V3, VL SUB | 50 to +0.3 | V | ||
| H1, H2, GND SUB | 40 to +0.3 | V | ||
| CSUB SUB | 25 to | V | ||
| Against GND | VDD, VOUT, RG, CSUB GND | 0.3 to +18 | V | |
| V1, V2A, V2B, V3 GND | 10 to +18 | V | ||
| H1, H2 GND | 10 to +5 | V | ||
| Against VL | V2A, V2B VL | 0.3 to +28 | V | |
| V1, V3, H1, H2, GND VL | 0.3 to +15 | V | ||
| Between input clock pins |
Voltage difference between vertical clock input pins | to +15 | V | *2 |
| H1 H2 | 5 to +5 | V | ||
| H1, H2 V4 | 13 to +13 | V | ||
| Storage temperature | 30 to +80 | °C | ||
| Operating temperature | 10 to +60 | °C | ||
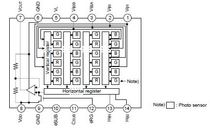
The ICX098BQ is a diagonal 4.5mm (Type 1/4) interline CCD solid-state image sensor with a square pixel array which supports VGA format. Progressive scan allows all pixels signals to be output independently within approximately 1/30 second.
Also, the adoption of monitoring mode allows output to an NTSC monitor without passing through the memory. This chip features an electronic shutter with variable charge-storage time which makes it possible to realize full-frame still image without a mechanical shutter. High resolution and high color reproductivity are achieved through the use of R, G, B primary color mosaic filters. Further, high sensitivity and low dark current of the ICX098BQ are achieved through the adoption of HAD (Hole-Accumulation Diode) sensors.
This chip of the ICX098BQ is suitable for applications such as electronic still cameras, PC input cameras, etc.