Features: • Progressive scan allows individual readout of the image signals from all pixels.• High horizontal and vertical resolution (both approx. 768TV-lines) still image without a mechanical shutter.• Supports high frame rate readout mode (effective 256 lines output, 15MHz dri...
ICX204AL: Features: • Progressive scan allows individual readout of the image signals from all pixels.• High horizontal and vertical resolution (both approx. 768TV-lines) still image without a mec...
SeekIC Buyer Protection PLUS - newly updated for 2013!
268 Transactions
All payment methods are secure and covered by SeekIC Buyer Protection PLUS.

|
Item |
Ratings | Unit | Remarks | |
| Against SUB | VDD, VOUT, RG SUB | 40 to +10 | V | |
| V2A, V2B SUB | 50 to +15 | V | ||
| V1, V3, VL SUB | 50 to +0.3 | V | ||
| H1, H2, GND SUB | 40 to +0.3 | V | ||
| CSUB SUB | 25 to | V | ||
| Against GND | VDD, VOUT,RG, CSUB GND | 0.3 to +18 | V | |
| V1, V2A, V2B, V3 GND | 10 to +18 | V | ||
| H1, H2 GND | 10 to +5 | V | ||
| Against VL | V2A, V2B VL | 0.3 to +28 | V | |
| V1, V3, H1, H2, GND VL | 0.3 to +15 | V | ||
| Between input clock pins |
Voltage difference between vertical clock input pins | to +15 | V | *2 |
| H1 H2 | 5 to +5 | V | ||
| H1, H2 V3 | 132to +13 | V | ||
| Storage temperature | 30 to +80 | °C | ||
| Operating temperature | 10 to +60 | °C | ||
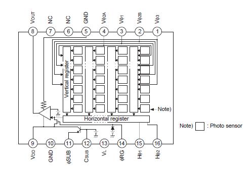
The ICX204AL is a diagonal 6mm (Type 1/3) interline CCD solid-state image sensor with a square pixel array and 800K effective pixels. Progressive scan allows all pixels' signals to be output independently. Also, the adoption of high frame rate readout mode supports 60 frames per second. This chip features an electronic shutter with variable charge-storage time which makes it possible to realize full-frame still image without a mechanical shutter. Further, high sensitivity and low dark current of the ICX204AL are achieved through the adoption of HAD (Hole- Accumulation Diode) sensors.
This chip of the ICX204AL is suitable for applications such as FA cameras, two-dimensional bar-code reader, etc.