Features: • High sensitivity (+6dB compared with the ICX058CK)• Low smear (15dB compared with the ICX058CK)• High D range (+4dB compared with the ICX058CK)• High S/N• High resolution and low dark current• Excellent antiblooming characteristics• Ye, Cy, Mg,...
ICX408AK: Features: • High sensitivity (+6dB compared with the ICX058CK)• Low smear (15dB compared with the ICX058CK)• High D range (+4dB compared with the ICX058CK)• High S/N• H...
SeekIC Buyer Protection PLUS - newly updated for 2013!
268 Transactions
All payment methods are secure and covered by SeekIC Buyer Protection PLUS.

|
Item |
Ratings | Unit | Remarks | |
| Against SUB | VDD, VOUT,RG SUB | 40 to +8 | V | |
| V1, V3 SUB | 50 to +15 | V | ||
| V2, V4, VL SUB | 50 to +0.3 | V | ||
| H1, H2, GND SUB | 40 to +0.3 | V | ||
| Against GND | VDD, VOUT,RG GND | 0.3 to +20 | V | |
| V1, V2, V3, V4 GND | 10 to +18 | V | ||
| H1, H2 GND | 10 to +6 | V | ||
| Against VL | V1, V3 VL | 0.3 to +28 | V | |
| V2, V4, H1, H2, GND VL | 0.3 to +15 | V | ||
| Between input clock pins |
Voltage difference between vertical clock input pins | to +15 | V | *1 |
| H1 H2 | 6 to +6 | V | ||
| H1, H2 V4 | 14 to +14 | V | ||
| Storage temperature | 30 to +80 | °C | ||
| Operating temperature | 10 to +60 | °C | ||
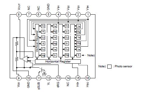
The ICX408AK is an interline CCD solid-state image sensor suitable for NTSC color video cameras with a diagonal 6mm (Type 1/3) system. Compared with the conventional product ICX058CK, basic characteristics such as sensitivity, smear, dynamic range and S/N are improved drastically.
This chip features a field period readout system and an electronic shutter with variable charge-storage time.
This chip of the ICX408AK is suitable for applications such as surveillance cameras, automotive cameras, etc.