Features: • Progressive scan allows individual readout of the image signals from all pixels.• High vertical resolution (480 TV-lines) still images without a mechanical shutter• Square pixel• Supports VGA format• Horizontal drive frequency: 24.54MHz• No voltage a...
ICX424AL: Features: • Progressive scan allows individual readout of the image signals from all pixels.• High vertical resolution (480 TV-lines) still images without a mechanical shutter• Squ...
SeekIC Buyer Protection PLUS - newly updated for 2013!
268 Transactions
All payment methods are secure and covered by SeekIC Buyer Protection PLUS.

|
Item |
Ratings | Unit | Remarks | |
|
Substrate clock SUB GND |
0.3 to +36 | V | ||
| Supply voltage | VDD, VOUT, CGG, SUBCIR GND | 0.3 to +18 | V | |
| VDD, VOUT, CGG, SUBCIR SUB | 22 to +9 | V | ||
| Clock input voltage | V1, V2, V3 GND | 15 to +16 | V | |
| V1, V2, V3 SUB | to +10 | V | ||
| Voltage difference between vertical clock input pins | to +15 | V | *2 | |
| Voltage difference between horizontal clock input pins | to +16 | V | ||
| H1, H2 V3 | 16 to +16 | V | ||
| H1, H2 GND | 10 to +15 | V | ||
| H1, H2 SUB | 55 to +10 | V | ||
| VL SUB | 65 to +0.3 | V | ||
| V2, V3 VL | 0.3 to +27.5 | V | ||
| RG GND | 0.3 to +20.5 | V | ||
| V1, H1, H2, GND VL | 0.3 to +17.5 | V | ||
| Storage temperature | 30 to +80 | °C | ||
| Performance guarantee temperature | 10 to +60 | °C | ||
| Operating temperature | 10 to +75 | °C | ||
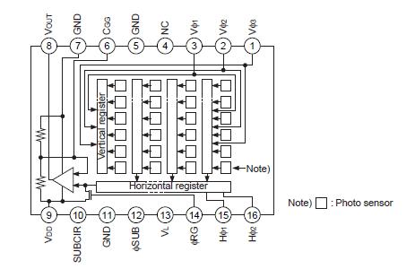
The ICX424AL is a diagonal 6mm (Type 1/3) interline CCD solid-state image sensor with a square pixel array suitable for EIA black-and-white cameras. Progressive scan allows all pixel's signals to be output independently within approximately 1/60 second. This chip features an electronic shutter with variable charge-storage time which makes it possible to realize full-frame still images without a mechanical shutter. High sensitivity and low dark current of the ICX424AL are achieved through the adoption of the HAD (Hole- Accumulation Diode) sensors.
This chip is suitable for applications such as FA and surveillance cameras.