Features: • Progressive scan allows individual readout of the image signals from all pixels.• High vertical resolution still images without a mechanical shutter• Square pixel• Supports VGA format• Horizontal drive frequency: 24.54MHz• No voltage adjustments (res...
ICX424AQ: Features: • Progressive scan allows individual readout of the image signals from all pixels.• High vertical resolution still images without a mechanical shutter• Square pixel•...
SeekIC Buyer Protection PLUS - newly updated for 2013!
268 Transactions
All payment methods are secure and covered by SeekIC Buyer Protection PLUS.
• Progressive scan allows individual readout of the image signals from all pixels.
• High vertical resolution still images without a mechanical shutter
• Square pixel
• Supports VGA format
• Horizontal drive frequency: 24.54MHz
• No voltage adjustments (reset gate and substrate bias are not adjusted.)
• R, G, B primary color mosaic filters on chip
• High resolution, high color reproductivity, high sensitivity, low dark current
• Continuous variable-speed shutter
• Low smear
• Excellent anti-blooming characteristics
• Horizontal register: 5.0V drive
• 16-pin high precision plastic package (enables dual-surface standard)

| Item | Ratings | Unit | Remarks | |
| Substrate clock SUB GND | 0.3 to +36 | V | ||
| Supply voltage | VDD, VOUT, CGG, SUBCIR GND | 0.3 to +18 | V | |
| VDD, VOUT, CGG, SUBCIR SUB | 22 to +9 | V | ||
| Clock input voltage | V1, V2, V3 GND | 15 to +16 | V | |
| V1, V2, V3 SUB | to +10 | V | ||
| Voltage difference between vertical clock input pins | to +15 | V | ∗2 | |
| Voltage difference between horizongal clock input pins | to +16 | V | ||
| H1, H2 V3 | 16 to +16 | V | ||
| H1, H2 GND | 10 to +15 | V | ||
| H1, H2 SUB | 55 to +10 | V | ||
| VL SUB | 65 to +0.3 | V | ||
| V2, V3 VL | 0.3 to +27.5 | V | ||
| RG GND | 0.3 to +20.5 | V | ||
| V1, H1, H2, GND VL | 0.3 to +17.5 | V | ||
| Storage temperature | 30 to +80 | °C | ||
| Performance guarantee temperature | 10 to +60 | °C | ||
| Operating temperature | 10 to +75 | °C | ||
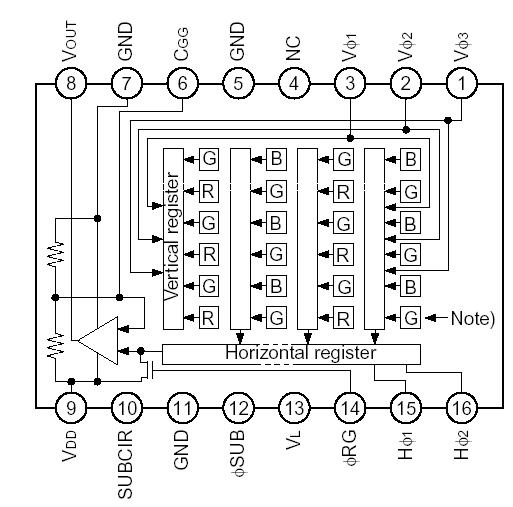
The ICX424AQ is a diagonal 6mm (Type 1/3) interline CCD solid-state image sensor with a square pixel array which supports VGA format. Progressive scan allows all pixels signals to be output independently within approximately 1/60 second. This chip features an electronic shutter with variable charge-storage time which makes it possible to realize full-frame still images without a mechanical shutter. High sensitivity and low dark current of the ICX424AQ are achieved through the adoption of the HAD (Hole-Accumulation Diode) sensors.
This chip is suitable for applications such as FA and surveillance cameras.