PinoutSpecifications PARAMETER NOTE Symbol Ratings Unit Supply Voltage 2 Vcc -0.3 to 6.0 V Program Voltage 2 VPP -0.2 to 7.0 V Input Voltage 2 VIN -0.3 to Vcc+0.3(Max:6.0) V Operating Temperature 1 TOPFC 0 to 60 °C Storage Temperature TSTG -20 to 65 °...
ID246: PinoutSpecifications PARAMETER NOTE Symbol Ratings Unit Supply Voltage 2 Vcc -0.3 to 6.0 V Program Voltage 2 VPP -0.2 to 7.0 V Input Voltage 2 VIN -0.3 to Vcc+0.3(Max:...
SeekIC Buyer Protection PLUS - newly updated for 2013!
268 Transactions
All payment methods are secure and covered by SeekIC Buyer Protection PLUS.

| PARAMETER | NOTE | Symbol | Ratings | Unit |
| Supply Voltage | 2 | Vcc | -0.3 to 6.0 | V |
| Program Voltage | 2 | VPP | -0.2 to 7.0 | V |
| Input Voltage | 2 | VIN | -0.3 to Vcc+0.3(Max:6.0) | V |
| Operating Temperature | 1 | TOPFC | 0 to 60 | °C |
| Storage Temperature |
TSTG | -20 to 65 | °C |
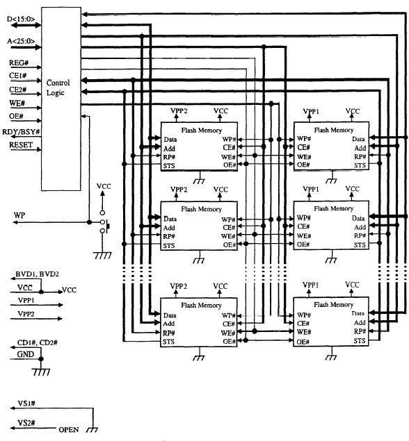
This datasheet is for SHARP's ID246 series flash memory card. This datasheet provides all AC and DC character-istics (including timing waveforms) and a convenient reference for the device command set and the cards inte-grated registers(including the Flash Memory's status registers). This datasheet of the ID246 provides description of the meth- ods which are very helpful for customer to use the card.