Features: • Pb-Free Available as an Option (see Ordering Info)• Drop in Replacement for the MAX4684 and MAX4685• ON Resistance (RON)- V+ = +2.7V . . . . . . . . . . . . . . . . . . . . . . . . . . . . . . 0.29- V+ = +1.8V . . . . . . . . . . . . . . . . . . . . . . . . . . . . . ...
ISL84684: Features: • Pb-Free Available as an Option (see Ordering Info)• Drop in Replacement for the MAX4684 and MAX4685• ON Resistance (RON)- V+ = +2.7V . . . . . . . . . . . . . . . . . ....
SeekIC Buyer Protection PLUS - newly updated for 2013!
268 Transactions
All payment methods are secure and covered by SeekIC Buyer Protection PLUS.


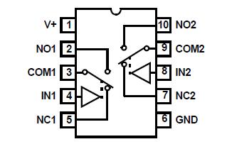
The ISL84684 is designed as one kind of low-voltage,single and dual supply,differential 4 to 1 multiplexer which made of precision,bidirectional,analog switches configured as a differential 4 channel multiplexer/demultiplexer.It is designed to operate from a single +2V to +12V supply or from a ±2V to ±6V dual supplies.The device has an inhibit pin to simultaneously open all signal paths.ON resistance of 39 with a ±5V supply and 125 with a single +3.3V supply.Each switch can handle rail to rail analog signals.The off-leakage current is only 0.1nA at +25°C or 2.5nA at +85°C.
Features of the ISL84684 are:(1)Pb-free plus anneal available (RoHS compliant);(2)fully specified at 3.3V, 5V, ±5V, and 12V Supplies for 10% tolerances;(3)ON resistance (RON), Vs=±4.5V:44;(4)ON resistance (RON),VS=+2.7V:135;(5)RON matching between channels,VS=±5V:<2;(6)low charge injection,VS=±5V:1pC (max);(7)single supply operation:+2V to +12V;(8)dual supply operation:±2V to ±6V;(9)low power consumption (PD):<3W;(10)guaranteed max off-leakage:2.5nA;(11)guaranteed break-before-make;(12)TTL,CMOS compatible.Also it can be used in battery powered,handheld,and portable equip-ment;communications systems;test equipment;audio and video signal routing and various circuits.
The absolute maximum ratings of the ISL84684 are:(1)V+ to V-:-0.3 to 15V;(2)V+ to GND:-0.3 to 15V;(3)V- to GND:-15 to 0.3V;(4)input voltages:-0.3 to ((V+)+0.3V);(5)output voltages:-0.3 to ((V+)+0.3V);(6)continuous current (any terminal):±30mA;(7)peak current NO, NC, or COM:±100mA;(8)ESD rating:>2kV;(9)thermal resistance 16 Ld TSSOP package:150°C/W;(10)maximum junction temperature (plastic package):150°C;(11)maximum storage temperature range:-65°C to 150°C;(12)maximum lead temperature (soldering 10s):300°C.If you want to know more information such as the electrical characteristics about the ISL84684,please download the datasheet in www.seekdatasheet.com or www.chinaicmart.com.