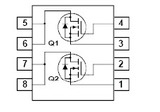
Features: `1.3 A, 100 V. R DS(ON) = 480m @ VGS = 10 V R DS(ON) = 530m @ VGS = 6 V`Low gate charge (3.7 nC typical)`Fast switching speed`High performance trench technology for extremely low R DS(ON)`High power and current handling capabilityPinoutSpecifications Parameter Symbol Rating ...
KDS3601: Features: `1.3 A, 100 V. R DS(ON) = 480m @ VGS = 10 V R DS(ON) = 530m @ VGS = 6 V`Low gate charge (3.7 nC typical)`Fast switching speed`High performance trench technology for extremely low R DS(ON)`...
SeekIC Buyer Protection PLUS - newly updated for 2013!
268 Transactions
All payment methods are secure and covered by SeekIC Buyer Protection PLUS.

|
Parameter |
Symbol |
Rating |
Unit |
|
Drain to Source Voltage |
VDSS |
100 |
V |
|
Gate to Source Voltage |
VGS |
±20 |
V |
|
Drain Current Continuous (Note 1a) |
ID |
1.3 |
A |
|
Drain Current Pulsed |
6 |
A | |
| Power Dissipation for Dual Operation |
PD |
2 | |
|
Power dissipation @ TC=25 (Note 1a) |
PD |
1.6 |
W |
|
Power dissipation @ Ta=25 (Note 1b) |
1 | ||
|
Power dissipation @ Ta=25 (Note 1c) |
0.9 | ||
|
Operating and Storage Temperature Range |
TJ, TSTG |
-55 to 175 |
|
|
Thermal Resistance Junction to Ambient (Note 1a) |
RJC |
40 |
/W |
|
Thermal Resistance Junction to Case (Note 1) |
RJC |
78 |
/W |