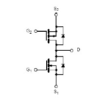
PinoutSpecifications Parameter Symbol N-Channel P-Channel Unit Drain-Source Voltage VDS 30 -30 V Gate-Source Voltage VGS ±20 ±20 V Continuous Drain Current (TJ = 150 )* TA = 25 ID ±6.5 ±5.7 A TA = 70 ±5.4 ±4.0 A Pulsed Dr...
KI4544DY: PinoutSpecifications Parameter Symbol N-Channel P-Channel Unit Drain-Source Voltage VDS 30 -30 V Gate-Source Voltage VGS ±20 ±20 V Continuous Drain ...
SeekIC Buyer Protection PLUS - newly updated for 2013!
268 Transactions
All payment methods are secure and covered by SeekIC Buyer Protection PLUS.

| Parameter |
Symbol |
N-Channel |
P-Channel |
Unit |
| Drain-Source Voltage |
VDS |
30 |
-30 |
V |
| Gate-Source Voltage |
VGS |
±20 |
±20 |
V |
| Continuous Drain Current (TJ = 150 )* TA = 25 |
ID |
±6.5 |
±5.7 |
A |
| TA = 70 |
±5.4 |
±4.0 |
A | |
| Pulsed Drain Current |
IDM |
±20 |
±20 |
A |
| Continuous Source Current (Diode Conduction)* |
IS |
1.7 |
-1.7 |
A |
| Maximum Power Dissipation* TA = 25 |
PD |
2.4 |
W | |
| TA =70 |
1.5 |
W | ||
| Operating Junction and Storage Temperature Range |
TJ, Tstg |
-55 to 150 |
||
| Maximum Junction-to-Ambient * |
RthJA |
52 |
/W | |