Features: `High output drive :±24mA(min.) @VCC=3V.`Super high speed operation : tpd 2.4ns(typ.) @VCC=5V, 50pF.`Operation voltage range : VCC(opr)=1.65~5.5V.`Latch-up performance : 500mA or more`ESD performance : ±200V or more (EIAJ)...........±2000V or more (MIL)`Power down protection is provided ...
KIC7WZ34FK: Features: `High output drive :±24mA(min.) @VCC=3V.`Super high speed operation : tpd 2.4ns(typ.) @VCC=5V, 50pF.`Operation voltage range : VCC(opr)=1.65~5.5V.`Latch-up performance : 500mA or more`ESD ...
SeekIC Buyer Protection PLUS - newly updated for 2013!
268 Transactions
All payment methods are secure and covered by SeekIC Buyer Protection PLUS.
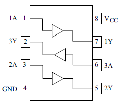
DescriptionThe KIC7SZ00FU is designed as one kind of high speed CMOS dual bilateral switch fabrica...
Features: High Output Drive : ±24mA (Typ.) @VCC=3VSuper High Speed Operation : tPD=2.6ns(Typ.) @VC...
Features: `High output drive : ±24mA(min.) @VCC=3V.`High Speed : tpd=3.7ns(typ.) @VCC=5V, 50pF.`Wi...
`High output drive :±24mA(min.) @VCC=3V.
`Super high speed operation : tpd 2.4ns(typ.) @VCC=5V, 50pF.
`Operation voltage range : VCC(opr)=1.65~5.5V.
`Latch-up performance : 500mA or more
`ESD performance : ±200V or more (EIAJ)
...........±2000V or more (MIL)
`Power down protection is provided on all inputs and outputs

|
CHARACTERISTIC |
SYMBOL |
RATING |
UNIT |
| Power Supply Voltage |
VCC |
-0.5~6 |
V |
| DC Input Voltage |
VIN |
-0.5~6 |
V |
| DC Output Voltage |
VOUT |
-0.5~6 |
V |
| Input Diode Current |
IIK |
-20 |
mA |
| Output Diode Current |
IOK |
-20 |
mA |
| DC Output Current |
IOUT |
±50 |
mA |
| DC VCC/ground Current |
ICC |
±50 |
mA |
| Power Dissipation |
PD |
200 |
mW |
| Storage Temperature Range |
Tstg |
-65~150 |
|
| Lead Temperature (10s) |
TL |
260 |