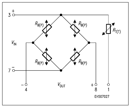
Features: • Low pressure and temperature hysteresis• Fast response• High sensitivity and linearity• Fatigue free monocrystaline silicon diaphragm giving high load cycle stability• High long term stability• Built in silicon temperature sensor• Metal housing...
KPY63RK: Features: • Low pressure and temperature hysteresis• Fast response• High sensitivity and linearity• Fatigue free monocrystaline silicon diaphragm giving high load cycle stabi...
SeekIC Buyer Protection PLUS - newly updated for 2013!
268 Transactions
All payment methods are secure and covered by SeekIC Buyer Protection PLUS.
• Low pressure and temperature hysteresis
• Fast response
• High sensitivity and linearity
• Fatigue free monocrystaline silicon diaphragm giving high load cycle stability
• High long term stability
• Built in silicon temperature sensor
• Metal housing

|
Parameter |
Symbol |
Limit Values |
Unit |
| Operating temperature range |
TA |
- 40. + 125 |
|
| Storage temperature range |
Tstg |
- 40. + 125 |
|
| Supply voltage |
VIN |
12 |
V |