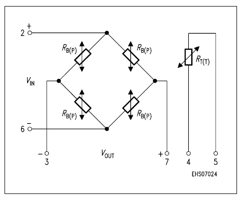
Features: • Low pressure and temperature hysteresis• Fast response• High sensitivity and linearity• Fatigue free monocrystaline silicon diaphragm giving high load cycle stability• High long term stability• Pressure coupled to rearside of silicon diaphragm•...
KPY 44-A: Features: • Low pressure and temperature hysteresis• Fast response• High sensitivity and linearity• Fatigue free monocrystaline silicon diaphragm giving high load cycle stabi...
SeekIC Buyer Protection PLUS - newly updated for 2013!
268 Transactions
All payment methods are secure and covered by SeekIC Buyer Protection PLUS.

|
Parameter |
Symbol |
Limit Values |
Unit |
| Pressure overload |
PMAX |
16 |
bar |
| Operating temperature range |
TA |
- 40. + 125 |
|
| Storage temperature range |
Tstg |
- 50. + 150 |
|
| Supply voltage |
VIN |
12 |
V |