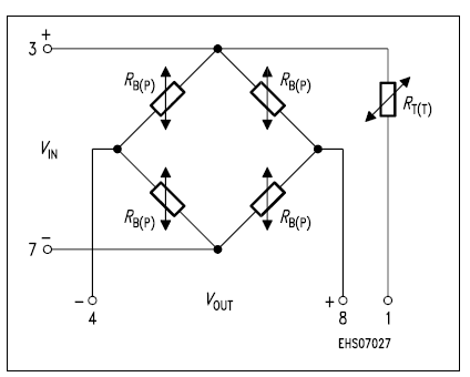
Features: • Low pressure and temperature hysteresis• Fast response• High sensitivity and linearity• Fatigue free monocrystaline silicon diaphragm giving high load cycle stability• High long term stability• Built in silicon temperature sensor• Provided for ...
KPY 62-AK: Features: • Low pressure and temperature hysteresis• Fast response• High sensitivity and linearity• Fatigue free monocrystaline silicon diaphragm giving high load cycle stabi...
SeekIC Buyer Protection PLUS - newly updated for 2013!
268 Transactions
All payment methods are secure and covered by SeekIC Buyer Protection PLUS.

|
Parameter |
Symbol |
LimitValues |
Unit |
|
Pressure overload |
PMAX |
4 |
bar |
| Operating temperature range |
TA |
- 40. + 125 |
|
| Storage temperature range |
Tstg |
- 50. + 125 |
|
| Supply voltage |
VIN |
12 |
V |