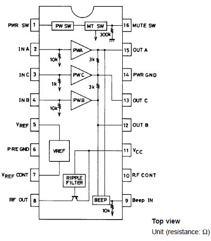
Features: `96 dB (typ) high S/N ratio at 7 V`76 dB (typ) high ripple rejection `0.07% (typ) low distortion with RL = 16 `6.2 mA (typ) low current consumption`Outputs do not require electrolytic capacitors`Available in 16-pin SSOPsPinoutSpecifications Parameter Symbol Conditions Ratings Un...
LA4800V: Features: `96 dB (typ) high S/N ratio at 7 V`76 dB (typ) high ripple rejection `0.07% (typ) low distortion with RL = 16 `6.2 mA (typ) low current consumption`Outputs do not require electrolytic capa...
SeekIC Buyer Protection PLUS - newly updated for 2013!
268 Transactions
All payment methods are secure and covered by SeekIC Buyer Protection PLUS.

| Parameter | Symbol | Conditions | Ratings | Unit |
| Maximum supply voltage | VCC max | 4.5 | V | |
| Power dissipation | Pd max | 375 | mW | |
| Operating temperature range | Topr | 15 to 50 | °C | |
| Storage temperature range | Tstg | 40 to 150 | °C |
The LA4800V is a headphone stereo power amplifier IC that features a high signal-to-noise ratio, high ripple rejection, low distortion and low current consumption, making it ideal for portable CD players.