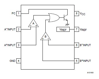
Features: • Operating supply voltage: 2.5 to 14 V• High-precision reference voltage: 1.5 V ±1.0%• PC pin current: 60 mA (max)• Current drain: 3 mA (max)• Input offset voltage: 2 mV (max)PinoutSpecifications Parameter Symbol Conditions Ratings Unit ...
LA5645M: Features: • Operating supply voltage: 2.5 to 14 V• High-precision reference voltage: 1.5 V ±1.0%• PC pin current: 60 mA (max)• Current drain: 3 mA (max)• Input offset v...
SeekIC Buyer Protection PLUS - newly updated for 2013!
268 Transactions
All payment methods are secure and covered by SeekIC Buyer Protection PLUS.

|
Parameter |
Symbol |
Conditions |
Ratings |
Unit |
|
Supply voltage |
VCC max |
14.5 |
V | |
|
Differential input voltage |
VID max |
14.5 |
V | |
|
PC pin current |
IPC max |
60 |
mA | |
|
Allowable power dissipation |
Pd max |
Independent IC |
300 |
mW |
|
Mounted on the specified printed circuit board* |
800 |
mW | ||
|
Operating temperature |
Topr |
40 to +85 |
°C | |
|
Storage temperature |
Tstg |
50 to +150 |
°C |
The LA5645M is a constant-voltage/constant-current control IC that incorporates low-voltage operational amplifiers and a high-precision reference voltage circuit (VREF = 1.5 V ±1.0%). This device is optimal for use as a secondary side controller in battery chargers, switching regulators, and similar products.