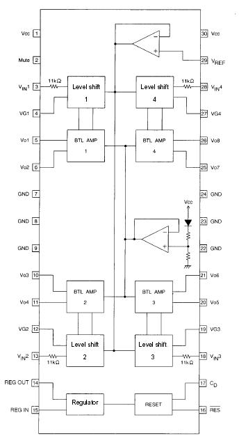
Features: ·4-channel bridge (BTL) power amplifier.·IO max. 700 mA.·With mute circuit (Affects all amplifier outputs, Amp 1 to Amp 8). (When the mute voltage is low, the outputs turn off; when the mute voltage is high, the outputs turn on).·5.0 V regulator built in (Uses external PNP transistor).·R...
LA6541D: Features: ·4-channel bridge (BTL) power amplifier.·IO max. 700 mA.·With mute circuit (Affects all amplifier outputs, Amp 1 to Amp 8). (When the mute voltage is low, the outputs turn off; when the mu...
SeekIC Buyer Protection PLUS - newly updated for 2013!
268 Transactions
All payment methods are secure and covered by SeekIC Buyer Protection PLUS.
·4-channel bridge (BTL) power amplifier.
·IO max. 700 mA.
·With mute circuit (Affects all amplifier outputs, Amp 1 to Amp 8). (When the mute voltage is low, the outputs turn off; when the mute voltage is high, the outputs turn on).
·5.0 V regulator built in (Uses external PNP transistor).
·Reset circuit built in (The reset output delay time can be adjusted through an external capacitor).

| Absolute maximum ratings | |
|---|---|
| Vm min [V] | 5.6 |
| Vm max [V] | 13 |
| IO max [A] | 0.7 |
| Parameter | Symbol | Conditions | Ratings | Unit |
| Supply voltage | VCCmax | 14 | V | |
| Maximum input voltage | VINB | 13 | V | |
| Mute pin voltage | VMute | 13 | V | |
| Allowable power dissipation | Pd max | When using standard board material: glass epoxy) |
2.5 | |
| Operating temperature | Topr | -20 to +75 | ||
| Storage temperature | Tstg | -55 to +150 |