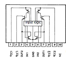
Features: Brake function on chip Dash current absorption diode on chip Broad operating voltage range (4 to 18 V) Direct drive made possible by TTLPinoutSpecifications Parameter Symbol Conditions Ratings Unit Maximum supply voltage VCC 20 V Input voltage VIN 0.3 to VCC ...
LB1640N: Features: Brake function on chip Dash current absorption diode on chip Broad operating voltage range (4 to 18 V) Direct drive made possible by TTLPinoutSpecifications Parameter Symbol Condi...
SeekIC Buyer Protection PLUS - newly updated for 2013!
268 Transactions
All payment methods are secure and covered by SeekIC Buyer Protection PLUS.
US $.08 - .26 / Piece
Common Mode Inductors (Chokes) INDCTR STD WND 0603 10uH 20%
US $.08 - .26 / Piece
Common Mode Inductors (Chokes) INDCTR STD WND 0603 1.0uH 20%
US $.08 - .26 / Piece
Common Mode Inductors (Chokes) INDCTR STD WND 0603 2.2uH 20%

| Parameter | Symbol | Conditions | Ratings | Unit |
| Maximum supply voltage | VCC | 20 | V | |
| Input voltage | VIN | 0.3 to VCC | V | |
| Output current | IOmax | t = 5 ms, with cycle time of 5 sec. or more | 1.6 | A |
| Allowable power dissipation | Pd max | No heat sink | 2.5 | W |
| When using heat sink ( 100 x 100 x 1.5 mm3 ) | 7.0 | W | ||
| Operating temperature | Topr | 25 to +75 | °C | |
| Storage temperature | Tstg | 55 to +125 | °C |