Solid State Relays Dual Pole
SeekIC Buyer Protection PLUS - newly updated for 2013!
268 Transactions
All payment methods are secure and covered by SeekIC Buyer Protection PLUS.
| Product Type : | PCB Mount | Load Voltage Rating : | 250 V | ||
| Load Current Rating : | 200 mA | Package / Case : | SIP-8 |

| Parameter | Min | Typ | Max | Units |
| Input Power Dissipation | - | - | 1501 | mW |
| Input Control Current Peak (10ms) |
- - |
- - |
50 1 |
mA A |
| Reverse Input Voltage | - | - | 5 | V |
| Total Power Dissipation | - | - | 8002 | mW |
| Isolation Voltage Input to Output |
3750 | - | - | VRMS |
| Operational Temperature | -40 | - | +85 | °C |
| Storage Temperature | -40 | - | +125 | °C |
| Soldering Temperature DIP Package Flatpack/Surface Mount Pkg (10 Seconds Max.) |
- - |
- - |
+260 +220 |
°C °C |
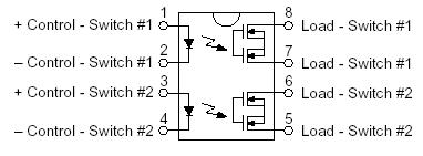
LBB127 is a 250V, 200mA, 10Ω 2-Form-B relay. It features a superior combination of on-resistance and peak load current handling capability.
| Technical/Catalog Information | LBB127 |
| Vendor | Clare |
| Category | Relays |
| Mounting Type | Through Hole |
| Termination Style | PC Pin |
| Package / Case | 8-DIP |
| Circuit | DPST (2 Form B) |
| Load Current | 200mA |
| Voltage - Input | 1.2VDC |
| Voltage - Load | 0 ~ 250 V |
| Output Type | AC, DC |
| On-State Resistance | 10 Ohm |
| Lead Free Status | Lead Free |
| RoHS Status | RoHS Compliant |
| Other Names | LBB127 LBB127 CLA176 ND CLA176ND CLA176 |