Features: ·gm adjustable over 6 decades·Excellent gm linearity·Excellent matching between amplifiers·Linearizing diodes·High impedance buffers·High output signal-to-noise ratioApplication·Current-controlled amplifiers·Current-controlled impedances·Current-controlled filters·Current-controlled osci...
LM13700A: Features: ·gm adjustable over 6 decades·Excellent gm linearity·Excellent matching between amplifiers·Linearizing diodes·High impedance buffers·High output signal-to-noise ratioApplication·Current-co...
SeekIC Buyer Protection PLUS - newly updated for 2013!
268 Transactions
All payment methods are secure and covered by SeekIC Buyer Protection PLUS.
Features: · 33 cm [13 ] SVGA format· Thin structure (7.5 mm)· Less shadowing utilizing SA* technol...

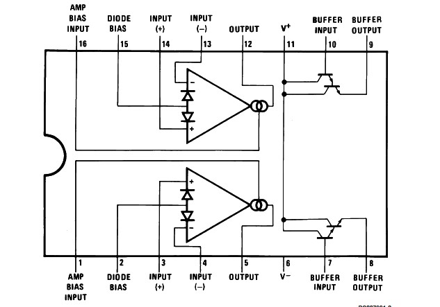
The LM13700A consists of two current controlled transconductance amplifiers, each with differential inputs and a push-pull output. The two amplifiers share common supplies but otherwise operate independently. Linearizing diodes are provided at the inputs to reduce distortion and allow higher input levels. The result is a 10 dB signal-to-noise improvement referenced to 0.5 percent THD. High impedance buffers are provided which are especially designed to complement the dynamic range of the amplifiers. The output buffers of the LM13700A differ from those of the LM13700A in that their input bias currents (and hence their output DC levels) are independent of IABC. This may result in performance superior to that of the LM13600 in audio applications.