Features: ·Internal active regulator for improved supply rejection·Uncommitted collector of output transistor·Output transistor with low saturation and high voltage swing·APC of the oscillator with a synchronizing signal·DC controlled output duty cycle·g300 Hz typical pull-in·Linear balanced phase...
LM1391: Features: ·Internal active regulator for improved supply rejection·Uncommitted collector of output transistor·Output transistor with low saturation and high voltage swing·APC of the oscillator with ...
SeekIC Buyer Protection PLUS - newly updated for 2013!
268 Transactions
All payment methods are secure and covered by SeekIC Buyer Protection PLUS.
Features: · 33 cm [13 ] SVGA format· Thin structure (7.5 mm)· Less shadowing utilizing SA* technol...

If Military/Aerospace specified devices are required, please contact the National Semiconductor Sales Office/Distributors for availability and specifications.
Supply Current ................................................40 mADC
Output Voltage ..................................................40 VDC
Output Current ...............................................30 mADC
Sync Input Voltage (Pin 3) ...............................5.0 Vp-p
Flyback Input Voltage (Pin 4) ...........................5.0 Vp-p
Power Dissipation (Package Limitation)
Plastic Package (Note 1) ................................1000 mW
Operating Temperature Range (Ambient) ..0 to +70
Storage Temperature Range ................-65 to +150
Lead Temperature (Soldering, 10 sec.) ................260
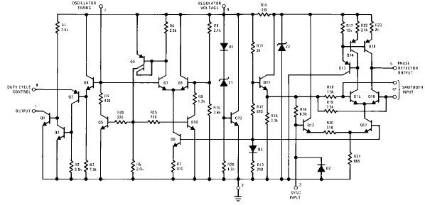
The LM1391 integrated circuit has been designed primarily for use in the horizontal section of TV receivers, but may find use in other low frequency signal processing applications. It includes a stable VCO, linear pulse phase detector, and variable duty cycle output driver.