PinoutSpecificationsOutput Current2000 mAInput Min Voltage6 VoltInput Max Voltage42 VoltOutput Min2.51 VoltOutput Max40 VoltFrequency Max2000 kHzOn/Off PinNoError FlagYesSoftStartYesSync PinNoInvertingYesFlybackNoRegTypeSwitching RegulatorTemperature Min-40 deg CTemperature Max125 deg CAdjustable ...
LM25011: PinoutSpecificationsOutput Current2000 mAInput Min Voltage6 VoltInput Max Voltage42 VoltOutput Min2.51 VoltOutput Max40 VoltFrequency Max2000 kHzOn/Off PinNoError FlagYesSoftStartYesSync PinNoInvert...
SeekIC Buyer Protection PLUS - newly updated for 2013!
268 Transactions
All payment methods are secure and covered by SeekIC Buyer Protection PLUS.
US $24.9 - 24.9 / Piece
Power Management IC Development Tools LM25005 EVAL BOARD

| Output Current | 2000 mA |
| Input Min Voltage | 6 Volt |
| Input Max Voltage | 42 Volt |
| Output Min | 2.51 Volt |
| Output Max | 40 Volt |
| Frequency Max | 2000 kHz |
| On/Off Pin | No |
| Error Flag | Yes |
| SoftStart | Yes |
| Sync Pin | No |
| Inverting | Yes |
| Flyback | No |
| RegType | Switching Regulator |
| Temperature Min | -40 deg C |
| Temperature Max | 125 deg C |
| Adjustable Output | Yes |
| Adj Switch Frequency | Yes |
| PWM Mode | Constant On-Time |
| Topology | Buck |
| Special Features | No compensation req'd, ultra fast transient response, PGD output |
| Step-Down | Yes |
| Multiple Output Capability | No |
| Output Range | 2.51V to 40V |
| Feedback Voltage | 2.51 Volt |
| Regulator Family | SIMPLE SWITCHER |
| AEC Q-100 Automotive Grade | 0 |
| Synchronous Rectification | No |
| Quiescent Current | 1.2 mA |
| View Using Catalog | |
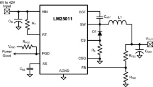
The LM25011 Constant On-time Step-Down Switching Regulator features all the functions needed to implement a low cost, efficient, buck bias regulator capable of supplying up to 2A of load current. This high voltage regulator contains an N-Channel Buck switch, a startup regulator, current limit detection, and internal ripple control. The constant on-time regulation principle requires no loop compensation, results in fast load transient response, and simplifies circuit implementation. The operating frequency remains constant with line and load. The adjustable valley current limit detection results in a smooth transition from constant voltage to constant current mode when current limit is reached, without the use of current limit foldback. The PGD output indicates the output voltage has increased to within 5% of the expected regulation value. Additional features include: Low output ripple, VIN under-voltage lock-out, adjustable soft-start timing, thermal shutdown, gate drive pre-charge, gate drive under-voltage lock-out, and maximum duty cycle limit.
Design Tools
| Title | Size in Kbytes | Date | |||
| LM25011 Quick Start Calculator | 205 Kbytes | 2-Jun-2009 | View |
If you have trouble printing or viewing PDF file(s), see Printing Problems. |
Application Notes
| Title | Size in Kbytes | Date | |
| AN-1965: Application Note 1965 LM25011 Evaluation Board | 378 Kbytes | 30-May-09 | Download |
If you have trouble printing or viewing PDF file(s), see Printing Problems. |
More Application Notes
| Title | Size in Kbytes | Date | |
| AN-1311: Application Note 1311 MPL PHY Layer Overview | 151 Kbytes | 19-Jan-04 | Download |
| AN-1311 (Chinese): Application Note 1311 MPL PHY Layer Overview |
369 Kbytes | 640){this.height=this.height*640/this.width;this.width=640;}' border="0" alt=" Connection Diagram"> | |
| AN-1431: Application Note 1431 LM25010 Evaluation Board | 632 Kbytes | 19-Dec-05 | Download |
If you have trouble printing or viewing PDF file(s), see Printing Problems. |