PinoutSpecificationsInput Max Voltage26 VoltChannels3 ChannelsOutput Accuracy3 %Output1 VoutMin5 VoltOutput1 VoutMax5 VoltOutput1 IoutMax500 mAOutput1 TopologyLDOOutput2 VoutMin5 VoltOutput2 VoutMax5 VoltOutput2 IoutMax100 mAOutput2 TopologyLDODropout Voltage0.53 VoltQuiescent Current14 mAOn/Off P...
LM2984: PinoutSpecificationsInput Max Voltage26 VoltChannels3 ChannelsOutput Accuracy3 %Output1 VoutMin5 VoltOutput1 VoutMax5 VoltOutput1 IoutMax500 mAOutput1 TopologyLDOOutput2 VoutMin5 VoltOutput2 VoutMax...
SeekIC Buyer Protection PLUS - newly updated for 2013!
268 Transactions
All payment methods are secure and covered by SeekIC Buyer Protection PLUS.

| Input Max Voltage | 26 Volt |
| Channels | 3 Channels |
| Output Accuracy | 3 % |
| Output1 VoutMin | 5 Volt |
| Output1 VoutMax | 5 Volt |
| Output1 IoutMax | 500 mA |
| Output1 Topology | LDO |
| Output2 VoutMin | 5 Volt |
| Output2 VoutMax | 5 Volt |
| Output2 IoutMax | 100 mA |
| Output2 Topology | LDO |
| Dropout Voltage | 0.53 Volt |
| Quiescent Current | 14 mA |
| On/Off Pin | Yes |
| Error Flag | Yes |
| Power on Reset | No |
| Ceramic Capacitors Stable | No |
| Special Features | Aux. 5V/7.5mA LDO |
| Output Range | 5V |
| Temperature Min | -40 deg C |
| Temperature Max | 125 deg C |
| Output Power | 3.04 Watt |
| Topology | LDO Triple |
| Multiple Output Capability | Yes |
| RegType | LDO |
| Step-Down | Yes |
| Adjustable Output | No |
| View Using Catalog | |
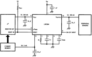
The LM2984 positive voltage regulator features three independent and tracking outputs capable of delivering the power for logic circuits, peripheral sensors and standby memory in a typical microprocessor system. The LM2984 includes circuitry which monitors both its own high-current output and also an external P. If any error conditions are sensed in either, a reset error flag is set and maintained until the malfunction terminates. Since these functions are included in the same package with the three regulators, a great saving in board space can be realized in the typical microprocessor system. The LM2984 also features very low dropout voltages on each of its three regulator outputs (0.6V at the rated output current). Furthermore, the quiescent current can be reduced to 1 mA in the standby mode.
Designed also for vehicular applications, the LM2984 and all regulated circuitry are protected from reverse battery installations or 2-battery jumps. Familiar regulator features such as short circuit and thermal overload protection are also provided. Fixed outputs of 5V are available in the plastic TO-220 power package.
Reliability Metrics
| Part Number | Process | EFR Reject | EFR Sample Size | PPM | LTA Rejects | LTA Device Hours | FITS | MTTF (Hours) |
| LM2984T | SLM | 0 | 42786 | 0 | 0 | 3352500 | 2 | 951281028 |