PinoutSpecificationsSupply Min2.7 VoltSupply Max24 VoltGain Bandwidth10 MHzChannels2 ChannelsSupply Current Per Channel0.36 mAPowerWise Rating 236 uA/MHzSlew Rate14 Volts/usecOffset Voltage max, 25C6, 2 mVMax Input Bias Current350, 300 nAInput OutputTypeR-R In and OutOutput Current4.3 mAVoltage No...
LM6132: PinoutSpecificationsSupply Min2.7 VoltSupply Max24 VoltGain Bandwidth10 MHzChannels2 ChannelsSupply Current Per Channel0.36 mAPowerWise Rating 236 uA/MHzSlew Rate14 Volts/usecOffset Voltage max, 25C...
SeekIC Buyer Protection PLUS - newly updated for 2013!
268 Transactions
All payment methods are secure and covered by SeekIC Buyer Protection PLUS.

| Supply Min | 2.7 Volt |
| Supply Max | 24 Volt |
| Gain Bandwidth | 10 MHz |
| Channels | 2 Channels |
| Supply Current Per Channel | 0.36 mA |
| PowerWise Rating 2 | 36 uA/MHz |
| Slew Rate | 14 Volts/usec |
| Offset Voltage max, 25C | 6, 2 mV |
| Max Input Bias Current | 350, 300 nA |
| Input OutputType | R-R In and Out |
| Output Current | 4.3 mA |
| Voltage Noise | 27 nV/root(Hz) |
| Shut down | No |
| Special Features | Undefined |
| Temperature Min | -40 deg C |
| Temperature Max | 85 deg C |
| Function | Op Amp |
| Automotive Selection Guide | Yes |
| View Using Catalog | |
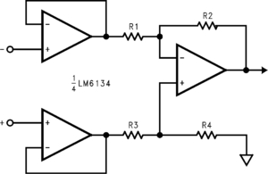
The LM6132/34 provides new levels of speed vs. power performance in applications where low voltage supplies or power limitations previously made compromise necessary. With only 360 µA/amp supply current, the 10 MHz gain-bandwidth of this device supports new portable applications where higher power devices unacceptably drain battery life.
The LM6132/34 can be driven by voltages that exceed both power supply rails, thus eliminating concerns over exceeding the common-mode voltage range. The rail-to-rail output swing capability provides the maximum possible dynamic range at the output. This is particularly important when operating on low supply voltages. The LM6132/34 can also drive large capacitive loads without oscillating.
Operating on supplies from 2.7V to over 24V, the LM6132/34 is excellent for a very wide range of applications, from battery operated systems with large bandwidth requirements to high speed instrumentation.
Design Tools
| Title | Size in Kbytes | Date | |||
| Amplifiers Selection Guide software for Windows | 8 Kbytes | 6-Mar-2007 | View |
If you have trouble printing or viewing PDF file(s), see Printing Problems. |
Application Notes
| Title | Size in Kbytes | Date | |
| AN-1237: Application Note 1237 RSDS™ Flat Panel Display Design Guidelines Part 2 | 141 Kbytes | 14-May-03 | Download |
| AN-1515: Application Note 1515 A Comprehensive Study of the Howland Current Pump | 227 Kbytes | 29-Jan-08 | Download |
If you have trouble printing or viewing PDF file(s), see Printing Problems. |