PinoutSpecificationsRemote Diode Thermal Sensors4Temperature Accuracy (+/-)1.1 deg CSupply Min3.0 VoltQuiescent Current0.57 mATemperature Min-40 deg CTemperature Max140 deg CInterface Type2-Wire SerialProgrammable SetpointsYesTruTherm(TM) Beta CompensationNoResolution13 bitsResolution degC/LSB0.03...
LM95214: PinoutSpecificationsRemote Diode Thermal Sensors4Temperature Accuracy (+/-)1.1 deg CSupply Min3.0 VoltQuiescent Current0.57 mATemperature Min-40 deg CTemperature Max140 deg CInterface Type2-Wire Ser...
SeekIC Buyer Protection PLUS - newly updated for 2013!
268 Transactions
All payment methods are secure and covered by SeekIC Buyer Protection PLUS.
US $50.03 - 50.03 / Piece
Temperature Sensor Development Tools LM95071 EVAL BOARD

| Remote Diode Thermal Sensors | 4 |
| Temperature Accuracy (+/-) | 1.1 deg C |
| Supply Min | 3.0 Volt |
| Quiescent Current | 0.57 mA |
| Temperature Min | -40 deg C |
| Temperature Max | 140 deg C |
| Interface Type | 2-Wire Serial |
| Programmable Setpoints | Yes |
| TruTherm(TM) Beta Compensation | No |
| Resolution | 13 bits |
| Resolution degC/LSB | 0.03125 |
| Supply Max | 3.6 Volt |
| Shut down | Yes |
| Interrupt Outputs | 3 |
| Fault Queue | Yes |
| Automotive Selection Guide | Yes |
| PowerWise | Yes |
| View Using Catalog | |
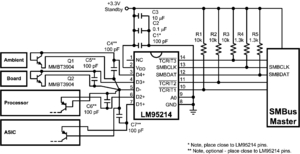
LM95214 is an 11-bit digital temperature sensor with a 2-wire System Management Bus (SMBus) interface that can very accurately monitor the temperature of four remote diodes as well as its own temperature. The four remote diodes can be external devices such as microprocessors, graphics processors that target the ideality of a 2N3904 transistor or diode-connected 2N3904s.
The LM95214 reports temperature in two different formats for +127.875°C/128°C range and 0°C/255°C range. The LM95214 ^TCRIT1, ^TCRIT2 and ^TCRIT3 outputs are triggered when any unmasked channel exceeds its corresponding programmable limit and can be used to shutdown the system, to turn on the system fans or as a microcontroller interrupt function. The current status of the ^TCRIT1, ^TCRIT2 and ^TCRIT3 pins can be read back from the status registers. Mask registers are available for further control of the ^TCRIT outputs.
Two LM95214 remote temperature channels have programmable digital filters while the other two remote channels utilize a fault-queue to minimize unwanted ^TCRIT events when temperature spikes are encountered.
For optimum flexibility and accuracy, each LM95214 channel includes registers for offset correction. A three-level address pin allows connection of up to 3 LM95214s to the same SMBus master. The LM95214 includes power saving functions such as: programmable conversion rate, shutdown mode, and disabling of unused channels.
Reliability Metrics
| Part Number | Process | EFR Reject | EFR Sample Size | PPM | LTA Rejects | LTA Device Hours | FITS | MTTF (Hours) |
| LM95214CISD | CMOS7 | 0 | 16561 | 0 | 0 | 954000 | 4 | 270700104 |
| LM95214CISDX | CMOS7 | 0 | 16561 | 0 | 0 | 954000 | 4 | 270700104 |