Features: ·500 MHz, 500 mV −3 dB bandwidth, AV=2·400 MHz, 2VPP −3 dB bandwidth, AV=2·8 ns channel switching time·70 dB channel to channel isolation @ 10 MHz·0.02%, 0.05° diff. gain, phase·0.1 dB gain flatness to 150 MHz·2200 V/µs slew rate·Wide supply voltage range: 6V (±3V) to 1...
LMH6574: Features: ·500 MHz, 500 mV −3 dB bandwidth, AV=2·400 MHz, 2VPP −3 dB bandwidth, AV=2·8 ns channel switching time·70 dB channel to channel isolation @ 10 MHz·0.02%, 0.05° diff. gain, phas...
SeekIC Buyer Protection PLUS - newly updated for 2013!
268 Transactions
All payment methods are secure and covered by SeekIC Buyer Protection PLUS.
US $2.32 - 3.51 / Piece
Operational Amplifiers - Op Amps HIGH SPEED HIGH OUTPUT CURRENT

The LMH6574 is a high performance analog multiplexer optimized for professional grade video and other high fidelity high bandwidth analog applications.
The output amplifierselects any one of four buffered input signals based on the state of the two address bits.
The LMH6574 provides a 400 MHz bandwidth at 2 VPP output signal levels. Multimedia and high definition television (HDTV) applications can benefit from the LMH6574's 0.1 dB bandwidth of 150 MHz and its 2200 V/µs slew rate.
The LMH6574 supports composite video applications with its 0.02% and 0.05° differential gain and phase errors for NTSC and PAL video signals while driving a single, back terminated 75Ω load. An 80 mA linear output current is available for driving multiple video load applications.
The LMH6574 gain is set by external feedback and gain set resistors for maximum flexibility.
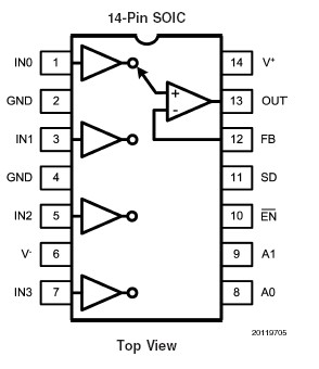
The LMH6574 is available in the 14 pin SOIC package.