PinoutSpecificationsOffset Voltage max, 25C0.22 mVTcVos1 uV/degCCMRR130 dBPSRR100 dBAvol119 dBVoltage Noise9 nV/root(Hz)Max Input Bias Current0.4 nAGain Bandwidth2.5 MHzSupply Current Per Channel0.725 mAPowerWise Rating 2290 uA/MHzSlew Rate1 Volts/usecChannels4 ChannelsSupply Min2.7 VoltSupply Max...
LMP7704: PinoutSpecificationsOffset Voltage max, 25C0.22 mVTcVos1 uV/degCCMRR130 dBPSRR100 dBAvol119 dBVoltage Noise9 nV/root(Hz)Max Input Bias Current0.4 nAGain Bandwidth2.5 MHzSupply Current Per Channel0.7...
SeekIC Buyer Protection PLUS - newly updated for 2013!
268 Transactions
All payment methods are secure and covered by SeekIC Buyer Protection PLUS.

| Offset Voltage max, 25C | 0.22 mV |
| TcVos | 1 uV/degC |
| CMRR | 130 dB |
| PSRR | 100 dB |
| Avol | 119 dB |
| Voltage Noise | 9 nV/root(Hz) |
| Max Input Bias Current | 0.4 nA |
| Gain Bandwidth | 2.5 MHz |
| Supply Current Per Channel | 0.725 mA |
| PowerWise Rating 2 | 290 uA/MHz |
| Slew Rate | 1 Volts/usec |
| Channels | 4 Channels |
| Supply Min | 2.7 Volt |
| Supply Max | 12 Volt |
| Input OutputType | R-R In and Out |
| Output Current | 66 mA |
| Shut down | No |
| Special Features | Low Offset CMOS Input |
| Temperature Min | -40 deg C |
| Temperature Max | 125 deg C |
| Function | Op Amp |
| Automotive Selection Guide | Yes |
| View Using Catalog | |
The LMP7701/LMP7702/LMP7704 are single, dual, and quad low offset voltage, rail-to-rail input and output precision amplifiers each with a CMOS input stage and a wide supply voltage range. The LMP7701/LMP7702/LMP7704 are part of the LMP precision amplifier family and are ideal for sensor interface and other instrumentation applications.
The guaranteed low offset voltage of less than ±200 µV along with the guaranteed low input bias current of less than ±1 pA make the LMP7701 ideal for precision applications. The LMP7701/LMP7702/LMP7704 are built utilizing VIP50 technology, which allows the combination of a CMOS input stage and a 12V common mode and supply voltage range. This makes the LMP7701/LMP7702/LMP7704 great choices in many applications where conventional CMOS parts cannot operate under the desired voltage conditions.
The LMP7701/LMP7702/LMP7704 each have a rail-to-rail input stage that significantly reduces the CMRR glitch commonly associated with rail-to-rail input amplifiers. This is achieved by trimming both sides of the complimentary input stage, thereby reducing the difference between the NMOS and PMOS offsets. The output of the LMP7701/LMP7702/LMP7704 swings within 40 mV of either rail to maximize the signal dynamic range in applications requiring low supply voltage.
The LMP7701 is offered in the space saving 5-Pin SOT23 and 8-Pin SOIC package. The LMP7702 is offered in the 8-Pin SOIC and 8-Pin MSOP package. The quad LMP7704 is offered in the 14-Pin SOIC and 14-Pin TSSOP package. These small packages are ideal solutions for area constrained PC boards and portable electronics.
| • | RD-162 - Precision Amplitude Control for Analog Video |
Application Notes
| Title | Size in Kbytes | Date | |
| AN-1559: Application Note 1559 Practical RTD Interface Solutions | 215 Kbytes | 10-Oct-07 | Download |
| AN-1559 (Japanese): Application Note 1559 Practical RTD Interface Solutions 640){this.height=this.height*640/this.width;this.width=640;}' border="0" alt=" Connection Diagram"> |
251 Kbytes | ||
| AN-1559 (Chinese): Application Note 1559 Practical RTD Interface Solutions |
805 Kbytes | 640){this.height=this.height*640/this.width;this.width=640;}' border="0" alt=" Connection Diagram"> | |
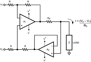
| AN-1515: Application Note 1515 A Comprehensive Study of the Howland Current Pump | 227 Kbytes | 29-Jan-08 | Download |
If you have trouble printing or viewing PDF file(s), see Printing Problems. |
More Application Notes
| Title | Size in Kbytes | Date | |
| AN-1841: Application Note 1841 LMH1982 Evaluation Board User Guide | 913 Kbytes | 21-May-08 | Download |
| AN-1841 (Chinese): Application Note 1841 LMH1982 Evaluation Board User Guide |
599 Kbytes | 640){this.height=this.height*640/this.width;this.width=640;}' border="0" alt=" Connection Diagram"> |
If you have trouble printing or viewing PDF file(s), see Printing Problems. |