Features: ·Space saving SC70 package·Available in 2.8V, 3.0V, and 3.3V fixed voltages·Guaranteed 80mA output·Low quiescent current·Low dropout voltage·Low temperature coefficient·Current and thermal limiting·Logic-controlled shutdown·Stability with low-ESR ceramic capacitors·Pin-to-pin replacement...
LMS5213: Features: ·Space saving SC70 package·Available in 2.8V, 3.0V, and 3.3V fixed voltages·Guaranteed 80mA output·Low quiescent current·Low dropout voltage·Low temperature coefficient·Current and thermal...
SeekIC Buyer Protection PLUS - newly updated for 2013!
268 Transactions
All payment methods are secure and covered by SeekIC Buyer Protection PLUS.
·Space saving SC70 package
·Available in 2.8V, 3.0V, and 3.3V fixed voltages
·Guaranteed 80mA output
·Low quiescent current
·Low dropout voltage
·Low temperature coefficient
·Current and thermal limiting
·Logic-controlled shutdown
·Stability with low-ESR ceramic capacitors
·Pin-to-pin replacement for Mic™ 5213

• The LMS5213 is a µCap, low dropout voltage regulator with very low quiescent current, 220µA typical, at 80mA load. It also has very low dropout voltage, typically 20mV at light load and 330mV at 80mA.
The LMS5213 provides up to 80mA and consumes a typical of 1µA in disable mode.
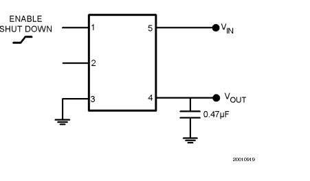
The LMS5213 is optimized to work with low value, low cost ceramic capacitors. The output typically require only 0.47µF of output capacitance for stability. The enable pin can be tied to VIN for easy device layout.
The LMS5213 is designed for portable, battery powered equipment applications with small space requirements.
The LMS5213 is available in a space saving 5-pin SC70 package. Performance is specified for the −40°C to +125°C temperature range and is available in 2.8V, 3.0V and 3.3V fixed voltages. For other output voltage options, please contact National Semiconductor.