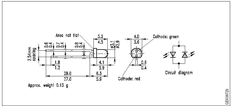
Features: colorless, diffused package antiparallel chips high signal effiency possible by color change of the LED with appropriate controlling by IC (e.g. SDA 2231) it is possible to change color from green to yellow, orange and super-redboth colors can becontrolled separately available taped on r...
LSG 3351: Features: colorless, diffused package antiparallel chips high signal effiency possible by color change of the LED with appropriate controlling by IC (e.g. SDA 2231) it is possible to change color fr...
SeekIC Buyer Protection PLUS - newly updated for 2013!
268 Transactions
All payment methods are secure and covered by SeekIC Buyer Protection PLUS.

|
Bezeichnung Parameter |
Symbol Symbol |
Wert Value |
Einheit Unit |
|
Betriebstemperatur Operating temperature range |
Top |
55 . + 100 |
°C |
|
Lagertemperatur Storage temperature range |
Tstg |
55 . + 100 |
°C |
|
Sperrschichttemperatur Junction temperature |
T j |
+ 100 |
°C |
|
Durchlassstrom Forward current |
I F |
40 |
mA |
|
Stoßstrom Surge current t £ 10 ms, D = 0.005 |
I FM |
0.5 |
A |
|
Leistungsaufnahme Power consumption TA 25 °C |
Ptot |
140 |
mW |
|
Wärmewiderstand Thermal resistance Sperrschicht / Luft Junction / air |
R th JA |
400 |
K/W |